Data Sheet
74VHC373 Octal D-Type Latch with 3-STATE Outputs
©1993 Fairchild Semiconductor Corporation www.fairchildsemi.com
74VHC373 Rev. 1.3 8
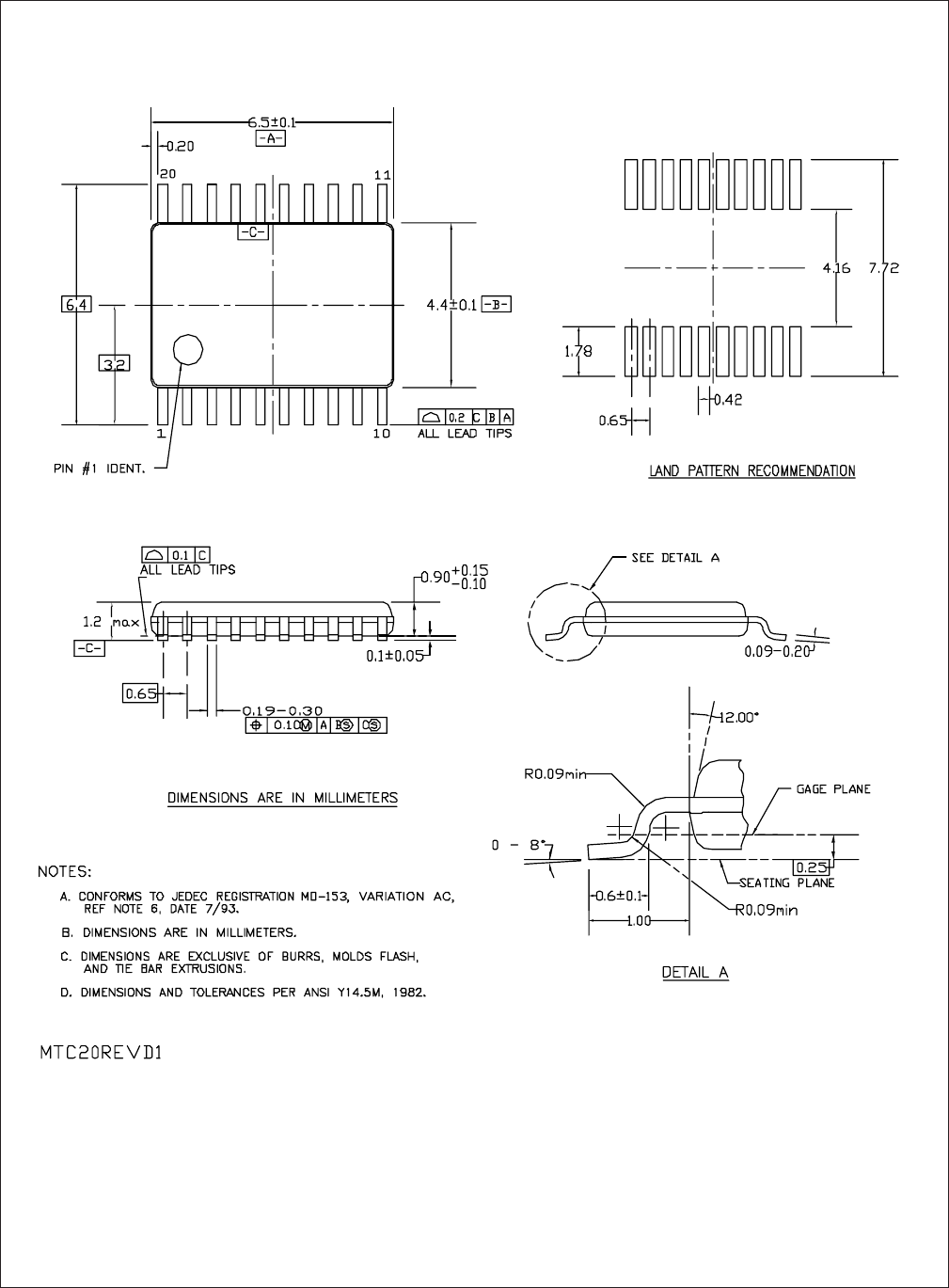
Physical Dimensions (Continued)
Dimensions are in millimeters unless otherwise noted.
Figure 4. 20-Lead Thin Shrink Small Outline Package (TSSOP), JEDEC MO-153, 4.4mm Wide
Package Number MTC20
