Datasheet

G-118 Safety Sensors / Components
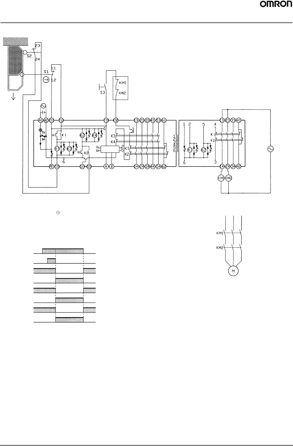
G9SA-501 (24 VAC/VDC) and G9SA-EX301 with 2-channel Limit Switch Input/Manual-reset
Feedback loop
Timing Chart
Open
Note: This circuit achieves EN954-1 Safety Category 4.
Control
circuit
S1: Safety Limit Switch
with direct opening mechanism
(D4N or D4B)
S2: Limit switch
S3: Reset switch
KM1 and KM2: Magnetic Contactor
M: 3-phase motor
Limit switches S1
and S2
Reset switch
S3
G9SA-501
K1, K2, K3 and
K4 (NC)
G9SA-501
K1, K2, K3, and
K4 (NO)
G9SA-EX301
K1 and K2 (NC)
G9SA-EX301
K1 and K2 (NO)
KM1 and KM2
(NC)
KM1 and KM2
(NO)
F502-EN2-04.book Seite 118 Dienstag, 26. Juli 2005 5:48 17










