Datasheet
Table Of Contents
- MCF5282 and MCF5216 ColdFire® Microcontroller User’s Manual
- About This Book
- Chapter 1 Overview
- 1.1 Key Features
- 1.1.1 Version 2 ColdFire Core
- 1.1.2 System Control Module
- 1.1.3 External Interface Module (EIM)
- 1.1.4 Chip Select
- 1.1.5 Power Management
- 1.1.6 General Input/Output Ports
- 1.1.7 Interrupt Controllers (INTC0/INTC1)
- 1.1.8 SDRAM Controller
- 1.1.9 Test Access Port
- 1.1.10 UART Modules
- 1.1.11 DMA Timers (DTIM0-DTIM3)
- 1.1.12 General-Purpose Timers (GPTA/GPTB)
- 1.1.13 Periodic Interrupt Timers (PIT0-PIT3)
- 1.1.14 Software Watchdog Timer
- 1.1.15 Phase Locked Loop (PLL)
- 1.1.16 DMA Controller
- 1.1.17 Reset
- 1.2 MCF5282-Specific Features
- 1.1 Key Features
- Chapter 2 ColdFire Core
- 2.1 Introduction
- 2.2 Memory Map/Register Description
- 2.2.1 Data Registers (D0-D7)
- 2.2.2 Address Registers (A0-A6)
- 2.2.3 Supervisor/User Stack Pointers (A7 and OTHER_A7)
- 2.2.4 Condition Code Register (CCR)
- 2.2.5 Program Counter (PC)
- 2.2.6 Cache Control Register (CACR)
- 2.2.7 Access Control Registers (ACRn)
- 2.2.8 Vector Base Register (VBR)
- 2.2.9 Status Register (SR)
- 2.2.10 Memory Base Address Registers (RAMBAR, FLASHBAR)
- 2.3 Functional Description
- 2.3.1 Version 2 ColdFire Microarchitecture
- 2.3.2 Instruction Set Architecture (ISA_A+)
- 2.3.3 Exception Processing Overview
- 2.3.4 Processor Exceptions
- 2.3.4.1 Access Error Exception
- 2.3.4.2 Address Error Exception
- 2.3.4.3 Illegal Instruction Exception
- 2.3.4.4 Divide-By-Zero
- 2.3.4.5 Privilege Violation
- 2.3.4.6 Trace Exception
- 2.3.4.7 Unimplemented Line-A Opcode
- 2.3.4.8 Unimplemented Line-F Opcode
- 2.3.4.9 Debug Interrupt
- 2.3.4.10 RTE and Format Error Exception
- 2.3.4.11 TRAP Instruction Exception
- 2.3.4.12 Unsupported Instruction Exception
- 2.3.4.13 Interrupt Exception
- 2.3.4.14 Fault-on-Fault Halt
- 2.3.4.15 Reset Exception
- 2.3.5 Instruction Execution Timing
- 2.3.5.1 Timing Assumptions
- 2.3.5.2 MOVE Instruction Execution Times
- 2.3.5.3 Standard One Operand Instruction Execution Times
- 2.3.5.4 Standard Two Operand Instruction Execution Times
- 2.3.5.5 Miscellaneous Instruction Execution Times
- 2.3.5.6 EMAC Instruction Execution Times
- 2.3.5.7 Branch Instruction Execution Times
- Chapter 3 Enhanced Multiply-Accumulate Unit (EMAC)
- Chapter 4 Cache
- Chapter 5 Static RAM (SRAM)
- Chapter 6 ColdFire Flash Module (CFM)
- 6.1 Features
- 6.2 Block Diagram
- 6.3 Memory Map
- 6.3.1 CFM Configuration Field
- 6.3.2 Flash Base Address Register (FLASHBAR)
- 6.3.3 CFM Registers
- 6.3.4 Register Descriptions
- 6.3.4.1 CFM Configuration Register (CFMCR)
- 6.3.4.2 CFM Clock Divider Register (CFMCLKD)
- 6.3.4.3 CFM Security Register (CFMSEC)
- 6.3.4.4 CFM Protection Register (CFMPROT)
- 6.3.4.5 CFM Supervisor Access Register (CFMSACC)
- 6.3.4.6 CFM Data Access Register (CFMDACC)
- 6.3.4.7 CFM User Status Register (CFMUSTAT)
- 6.3.4.8 CFM Command Register (CFMCMD)
- 6.4 CFM Operation
- 6.5 Flash Security Operation
- 6.6 Reset
- 6.7 Interrupts
- Chapter 7 Power Management
- 7.1 Features
- 7.2 Memory Map and Registers
- 7.3 Functional Description
- 7.3.1 Low-Power Modes
- 7.3.2 Peripheral Behavior in Low-Power Modes
- 7.3.2.1 ColdFire Core
- 7.3.2.2 Static Random-Access Memory (SRAM)
- 7.3.2.3 Flash
- 7.3.2.4 System Control Module (SCM)
- 7.3.2.5 SDRAM Controller (SDRAMC)
- 7.3.2.6 Chip Select Module
- 7.3.2.7 DMA Controller (DMAC0-DMA3)
- 7.3.2.8 UART Modules (UART0, UART1, and UART2)
- 7.3.2.9 I2C Module
- 7.3.2.10 Queued Serial Peripheral Interface (QSPI)
- 7.3.2.11 DMA Timers (DMAT0-DMAT3)
- 7.3.2.12 Interrupt Controllers (INTC0, INTC1)
- 7.3.2.13 Fast Ethernet Controller (FEC)
- 7.3.2.14 I/O Ports
- 7.3.2.15 Reset Controller
- 7.3.2.16 Chip Configuration Module
- 7.3.2.17 Clock Module
- 7.3.2.18 Edge Port
- 7.3.2.19 Watchdog Timer
- 7.3.2.20 Programmable Interrupt Timers (PIT0, PIT1, PIT2 and PIT3)
- 7.3.2.21 Queued Analog-to-Digital Converter (QADC)
- 7.3.2.22 General Purpose Timers (GPTA and GPTB)
- 7.3.2.23 FlexCAN
- 7.3.2.24 ColdFire Flash Module
- 7.3.2.25 BDM
- 7.3.2.26 JTAG
- 7.3.3 Summary of Peripheral State During Low-Power Modes
- Chapter 8 System Control Module (SCM)
- Chapter 9 Clock Module
- 9.1 Features
- 9.2 Modes of Operation
- 9.3 Low-power Mode Operation
- 9.4 Block Diagram
- 9.5 Signal Descriptions
- 9.6 Memory Map and Registers
- 9.7 Functional Description
- 9.7.1 System Clock Modes
- 9.7.2 Clock Operation During Reset
- 9.7.3 System Clock Generation
- 9.7.4 PLL Operation
- 9.7.4.1 Phase and Frequency Detector (PFD)
- 9.7.4.2 Charge Pump/Loop Filter
- 9.7.4.3 Voltage Control Output (VCO)
- 9.7.4.4 Multiplication Factor Divider (MFD)
- 9.7.4.5 PLL Lock Detection
- 9.7.4.6 PLL Loss of Lock Conditions
- 9.7.4.7 PLL Loss of Lock Reset
- 9.7.4.8 Loss of Clock Detection
- 9.7.4.9 Loss of Clock Reset
- 9.7.4.10 Alternate Clock Selection
- 9.7.4.11 Loss of Clock in Stop Mode
- Chapter 10 Interrupt Controller Modules
- 10.1 68K/ColdFire Interrupt Architecture Overview
- 10.2 Memory Map
- 10.3 Register Descriptions
- 10.3.1 Interrupt Pending Registers (IPRHn, IPRLn)
- 10.3.2 Interrupt Mask Register (IMRHn, IMRLn)
- 10.3.3 Interrupt Force Registers (INTFRCHn, INTFRCLn)
- 10.3.4 Interrupt Request Level Register (IRLRn)
- 10.3.5 Interrupt Acknowledge Level and Priority Register (IACKLPRn)
- 10.3.6 Interrupt Control Register (ICRnx, (x = 1, 2,..., 63))
- 10.3.7 Software and Level n IACK Registers (SWIACKR, L1IACK-L7IACK)
- 10.4 Prioritization Between Interrupt Controllers
- 10.5 Low-Power Wakeup Operation
- Chapter 11 Edge Port Module (EPORT)
- Chapter 12 Chip Select Module
- Chapter 13 External Interface Module (EIM)
- Chapter 14 Signal Descriptions
- 14.1 Overview
- 14.2 External Signals
- 14.2.1 External Interface Module (EIM) Signals
- 14.2.1.1 Address Bus (A[23:0])
- 14.2.1.2 Data Bus (D[31:0])
- 14.2.1.3 Byte Strobes (BS[3:0])
- 14.2.1.4 Output Enable (OE)
- 14.2.1.5 Transfer Acknowledge (TA)
- 14.2.1.6 Transfer Error Acknowledge (TEA)
- 14.2.1.7 Read/Write (R/W)
- 14.2.1.8 Transfer Size(SIZ[1:0])
- 14.2.1.9 Transfer Start (TS)
- 14.2.1.10 Transfer In Progress (TIP)
- 14.2.1.11 Chip Selects (CS[6:0])
- 14.2.2 SDRAM Controller Signals
- 14.2.3 Clock and Reset Signals
- 14.2.4 Chip Configuration Signals
- 14.2.5 External Interrupt Signals
- 14.2.6 Ethernet Module Signals
- 14.2.6.1 Management Data (EMDIO)
- 14.2.6.2 Management Data Clock (EMDC)
- 14.2.6.3 Transmit Clock (ETXCLK)
- 14.2.6.4 Transmit Enable (ETXEN)
- 14.2.6.5 Transmit Data 0 (ETXD0)
- 14.2.6.6 Collision (ECOL)
- 14.2.6.7 Receive Clock (ERXCLK)
- 14.2.6.8 Receive Data Valid (ERXDV)
- 14.2.6.9 Receive Data 0 (ERXD0)
- 14.2.6.10 Carrier Receive Sense (ECRS)
- 14.2.6.11 Transmit Data 1-3 (ETXD[3:1])
- 14.2.6.12 Transmit Error (ETXER)
- 14.2.6.13 Receive Data 1-3 (ERXD[3:1])
- 14.2.6.14 Receive Error (ERXER)
- 14.2.7 Queued Serial Peripheral Interface (QSPI) Signals
- 14.2.8 FlexCAN Signals
- 14.2.9 I2C Signals
- 14.2.10 UART Module Signals
- 14.2.11 General Purpose Timer Signals
- 14.2.12 DMA Timer Signals
- 14.2.13 Analog-to-Digital Converter Signals
- 14.2.13.1 QADC Analog Input (AN0/ANW)
- 14.2.13.2 QADC Analog Input (AN1/ANX)
- 14.2.13.3 QADC Analog Input (AN2/ANY)
- 14.2.13.4 QADC Analog Input (AN3/ANZ)
- 14.2.13.5 QADC Analog Input (AN52/MA0)
- 14.2.13.6 QADC Analog Input (AN53/MA1)
- 14.2.13.7 QADC Analog Input (AN55/TRIG1)
- 14.2.13.8 QADC Analog Input (AN56/TRIG2)
- 14.2.14 Debug Support Signals
- 14.2.14.1 JTAG_EN
- 14.2.14.2 Development Serial Clock/Test Reset (DSCLK/TRST)
- 14.2.14.3 Breakpoint/Test Mode Select (BKPT/TMS)
- 14.2.14.4 Development Serial Input/Test Data (DSI/TDI)
- 14.2.14.5 Development Serial Output/Test Data (DSO/TDO)
- 14.2.14.6 Test Clock (TCLK)
- 14.2.14.7 Debug Data (DDATA[3:0])
- 14.2.14.8 Processor Status Outputs (PST[3:0])
- 14.2.15 Test Signals
- 14.2.16 Power and Reference Signals
- 14.2.16.1 QADC Analog Reference (VRH, VRL)
- 14.2.16.2 QADC Analog Supply (VDDA, VSSA)
- 14.2.16.3 PLL Analog Supply (VDDPLL, VSSPLL)
- 14.2.16.4 QADC Positive Supply (VDDH)
- 14.2.16.5 Power for Flash Erase/Program (VPP)
- 14.2.16.6 Power and Ground for Flash Array (VDDF, VSSF)
- 14.2.16.7 Standby Power (VSTBY)
- 14.2.16.8 Positive Supply (VDD)
- 14.2.16.9 Ground (VSS)
- 14.2.1 External Interface Module (EIM) Signals
- Chapter 15 Synchronous DRAM Controller Module
- Chapter 16 DMA Controller Module
- 16.1 Overview
- 16.2 DMA Request Control (DMAREQC)
- 16.3 DMA Transfer Overview
- 16.4 DMA Controller Module Programming Model
- 16.5 DMA Controller Module Functional Description
- Chapter 17 Fast Ethernet Controller (FEC)
- 17.1 Introduction
- 17.2 Modes of Operation
- 17.3 External Signal Description
- 17.4 Memory Map/Register Definition
- 17.4.1 MIB Block Counters Memory Map
- 17.4.2 Ethernet Interrupt Event Register (EIR)
- 17.4.3 Interrupt Mask Register (EIMR)
- 17.4.4 Receive Descriptor Active Register (RDAR)
- 17.4.5 Transmit Descriptor Active Register (TDAR)
- 17.4.6 Ethernet Control Register (ECR)
- 17.4.7 MII Management Frame Register (MMFR)
- 17.4.8 MII Speed Control Register (MSCR)
- 17.4.9 MIB Control Register (MIBC)
- 17.4.10 Receive Control Register (RCR)
- 17.4.11 Transmit Control Register (TCR)
- 17.4.12 Physical Address Lower Register (PALR)
- 17.4.13 Physical Address Upper Register (PAUR)
- 17.4.14 Opcode/Pause Duration Register (OPD)
- 17.4.15 Descriptor Individual Upper Address Register (IAUR)
- 17.4.16 Descriptor Individual Lower Address Register (IALR)
- 17.4.17 Descriptor Group Upper Address Register (GAUR)
- 17.4.18 Descriptor Group Lower Address Register (GALR)
- 17.4.19 Transmit FIFO Watermark Register (TFWR)
- 17.4.20 FIFO Receive Bound Register (FRBR)
- 17.4.21 FIFO Receive Start Register (FRSR)
- 17.4.22 Receive Descriptor Ring Start Register (ERDSR)
- 17.4.23 Transmit Buffer Descriptor Ring Start Registers (ETSDR)
- 17.4.24 Receive Buffer Size Register (EMRBR)
- 17.5 Functional Description
- 17.5.1 Buffer Descriptors
- 17.5.2 Initialization Sequence
- 17.5.3 User Initialization (Prior to Setting ECR[ETHER_EN])
- 17.5.4 Microcontroller Initialization
- 17.5.5 User Initialization (After Setting ECR[ETHER_EN])
- 17.5.6 Network Interface Options
- 17.5.7 FEC Frame Transmission
- 17.5.8 FEC Frame Reception
- 17.5.9 Ethernet Address Recognition
- 17.5.10 Hash Algorithm
- 17.5.11 Full Duplex Flow Control
- 17.5.12 Inter-Packet Gap (IPG) Time
- 17.5.13 Collision Managing
- 17.5.14 MII Internal and External Loopback
- 17.5.15 Ethernet Error-Managing Procedure
- Chapter 18 Watchdog Timer Module
- Chapter 19 Programmable Interrupt Timers (PIT0-PIT3)
- Chapter 20 General Purpose Timer Modules (GPTA and GPTB)
- 20.1 Features
- 20.2 Block Diagram
- 20.3 Low-Power Mode Operation
- 20.4 Signal Description
- 20.5 Memory Map and Registers
- 20.5.1 GPT Input Capture/Output Compare Select Register (GPTIOS)
- 20.5.2 GPT Compare Force Register (GPCFORC)
- 20.5.3 GPT Output Compare 3 Mask Register (GPTOC3M)
- 20.5.4 GPT Output Compare 3 Data Register (GPTOC3D)
- 20.5.5 GPT Counter Register (GPTCNT)
- 20.5.6 GPT System Control Register 1 (GPTSCR1)
- 20.5.7 GPT Toggle-On-Overflow Register (GPTTOV)
- 20.5.8 GPT Control Register 1 (GPTCTL1)
- 20.5.9 GPT Control Register 2 (GPTCTL2)
- 20.5.10 GPT Interrupt Enable Register (GPTIE)
- 20.5.11 GPT System Control Register 2 (GPTSCR2)
- 20.5.12 GPT Flag Register 1 (GPTFLG1)
- 20.5.13 GPT Flag Register 2 (GPTFLG2)
- 20.5.14 GPT Channel Registers (GPTCn)
- 20.5.15 Pulse Accumulator Control Register (GPTPACTL)
- 20.5.16 Pulse Accumulator Flag Register (GPTPAFLG)
- 20.5.17 Pulse Accumulator Counter Register (GPTPACNT)
- 20.5.18 GPT Port Data Register (GPTPORT)
- 20.5.19 GPT Port Data Direction Register (GPTDDR)
- 20.6 Functional Description
- 20.7 Reset
- 20.8 Interrupts
- Chapter 21 DMA Timers (DTIM0-DTIM3)
- Chapter 22 Queued Serial Peripheral Interface (QSPI)
- Chapter 23 UART Modules
- 23.1 Introduction
- 23.2 External Signal Description
- 23.3 Memory Map/Register Definition
- 23.3.1 UART Mode Registers 1 (UMR1n)
- 23.3.2 UART Mode Register 2 (UMR2n)
- 23.3.3 UART Status Registers (USRn)
- 23.3.4 UART Clock Select Registers (UCSRn)
- 23.3.5 UART Command Registers (UCRn)
- 23.3.6 UART Receive Buffers (URBn)
- 23.3.7 UART Transmit Buffers (UTBn)
- 23.3.8 UART Input Port Change Registers (UIPCRn)
- 23.3.9 UART Auxiliary Control Register (UACRn)
- 23.3.10 UART Interrupt Status/Mask Registers (UISRn/UIMRn)
- 23.3.11 UART Baud Rate Generator Registers (UBG1n/UBG2n)
- 23.3.12 UART Input Port Register (UIPn)
- 23.3.13 UART Output Port Command Registers (UOP1n/UOP0n)
- 23.4 Functional Description
- 23.5 Initialization/Application Information
- Chapter 24 I2C Interface
- Chapter 25 FlexCAN
- 25.1 Features
- 25.2 The CAN System
- 25.3 Message Buffers
- 25.4 Functional Overview
- 25.5 Programmer’s Model
- 25.5.1 CAN Module Configuration Register (CANMCR)
- 25.5.2 FlexCAN Control Register 0 (CANCTRL0)
- 25.5.3 FlexCAN Control Register 1 (CANCTRL1)
- 25.5.4 Prescaler Divide Register (PRESDIV)
- 25.5.5 FlexCAN Control Register 2 (CANCTRL2)
- 25.5.6 Free Running Timer (TIMER)
- 25.5.7 Rx Mask Registers
- 25.5.8 FlexCAN Error and Status Register (ESTAT)
- 25.5.9 Interrupt Mask Register (IMASK)
- 25.5.10 Interrupt Flag Register (IFLAG)
- 25.5.11 FlexCAN Receive Error Counter (RXECTR)
- 25.5.12 FlexCAN Transmit Error Counter (TXECTR)
- Chapter 26 General Purpose I/O Module
- 26.1 Introduction
- 26.2 External Signal Description
- 26.3 Memory Map/Register Definition
- 26.3.1 Register Overview
- 26.3.2 Register Descriptions
- 26.3.2.1 Port Output Data Registers (PORTn)
- 26.3.2.2 Port Data Direction Registers (DDRn)
- 26.3.2.3 Port Pin Data/Set Data Registers (PORTnP/SETn)
- 26.3.2.4 Port Clear Output Data Registers (CLRn)
- 26.3.2.5 Port B/C/D Pin Assignment Register (PBCDPAR)
- 26.3.2.6 Port E Pin Assignment Register (PEPAR)
- 26.3.2.7 Port F Pin Assignment Register (PFPAR)
- 26.3.2.8 Port J Pin Assignment Register (PJPAR)
- 26.3.2.9 Port SD Pin Assignment Register (PSDPAR)
- 26.3.2.10 Port AS Pin Assignment Register (PASPAR)
- 26.3.2.11 Port EH/EL Pin Assignment Register (PEHLPAR)
- 26.3.2.12 Port QS Pin Assignment Register (PQSPAR)
- 26.3.2.13 Port TC Pin Assignment Register (PTCPAR)
- 26.3.2.14 Port TD Pin Assignment Register (PTDPAR)
- 26.3.2.15 Port UA Pin Assignment Register (PUAPAR)
- 26.4 Functional Description
- 26.5 Initialization/Application Information
- Chapter 27 Chip Configuration Module (CCM)
- Chapter 28 Queued Analog-to-Digital Converter (QADC)
- 28.1 Features
- 28.2 Block Diagram
- 28.3 Modes of Operation
- 28.4 Signals
- 28.5 Memory Map
- 28.6 Register Descriptions
- 28.6.1 QADC Module Configuration Register (QADCMCR)
- 28.6.2 QADC Test Register (QADCTEST)
- 28.6.3 Port Data Registers (PORTQA & PORTQB)
- 28.6.4 Port QA and QB Data Direction Register (DDRQA & DDRQB)
- 28.6.5 Control Registers
- 28.6.6 Status Registers
- 28.6.7 Conversion Command Word Table (CCW)
- 28.6.8 Result Registers
- 28.7 Functional Description
- 28.8 Digital Control Subsystem
- 28.9 Signal Connection Considerations
- 28.10 Interrupts
- Chapter 29 Reset Controller Module
- Chapter 30 Debug Support
- 30.1 Overview
- 30.2 Signal Description
- 30.3 Real-Time Trace Support
- 30.4 Programming Model
- 30.4.1 Revision A Shared Debug Resources
- 30.4.2 Address Attribute Trigger Register (AATR)
- 30.4.3 Address Breakpoint Registers (ABLR, ABHR)
- 30.4.4 Configuration/Status Register (CSR)
- 30.4.5 Data Breakpoint/Mask Registers (DBR, DBMR)
- 30.4.6 Program Counter Breakpoint/Mask Registers (PBR, PBMR)
- 30.4.7 Trigger Definition Register (TDR)
- 30.5 Background Debug Mode (BDM)
- 30.5.1 CPU Halt
- 30.5.2 BDM Serial Interface
- 30.5.3 BDM Command Set
- 30.5.3.1 ColdFire BDM Command Format
- 30.5.3.2 Command Sequence Diagrams
- 30.5.3.3 Command Set Descriptions
- 30.5.3.3.1 Read A/D Register (rareg/rdreg)
- 30.5.3.3.2 Write A/D Register (wareg/wdreg)
- 30.5.3.3.3 Read Memory Location (read)
- 30.5.3.3.4 Write Memory Location (write)
- 30.5.3.3.5 Dump Memory Block (dump)
- 30.5.3.3.6 Fill Memory Block (fill)
- 30.5.3.3.7 Resume Execution (go)
- 30.5.3.3.8 No Operation (nop)
- 30.5.3.3.9 Read Control Register (rcreg)
- 30.5.3.3.10 Write Control Register (wcreg)
- 30.5.3.3.11 Read Debug Module Register (rdmreg)
- 30.5.3.3.12 Write Debug Module Register (wdmreg)
- 30.6 Real-Time Debug Support
- 30.7 Processor Status, DDATA Definition
- 30.8 Freescale-Recommended BDM Pinout
- Chapter 31 IEEE 1149.1 Test Access Port (JTAG)
- Chapter 32 Mechanical Data
- Chapter 33 Electrical Characteristics
- 33.1 Maximum Ratings
- 33.2 Thermal Characteristics
- 33.3 DC Electrical Specifications
- 33.4 Power Consumption Specifications
- 33.5 Phase Lock Loop Electrical Specifications
- 33.6 QADC Electrical Characteristics
- 33.7 Flash Memory Characteristics
- 33.8 External Interface Timing Characteristics
- 33.9 Processor Bus Output Timing Specifications
- 33.10 General Purpose I/O Timing
- 33.11 Reset and Configuration Override Timing
- 33.12 I2C Input/Output Timing Specifications
- 33.13 Fast Ethernet AC Timing Specifications
- 33.14 DMA Timer Module AC Timing Specifications
- 33.15 QSPI Electrical Specifications
- 33.16 JTAG and Boundary Scan Timing
- 33.17 Debug AC Timing Specifications
- Appendix A Register Memory Map
- Appendix B Revision History
Freescale Semiconductor 2-1
Chapter 2
ColdFire Core
2.1 Introduction
This section describes the organization of the Version 2 (V2) ColdFire
®
processor core and an overview
of the program-visible registers. For detailed information on instructions, see the ISA_A+ definition in the
ColdFire Family Programmer’s Reference Manual.
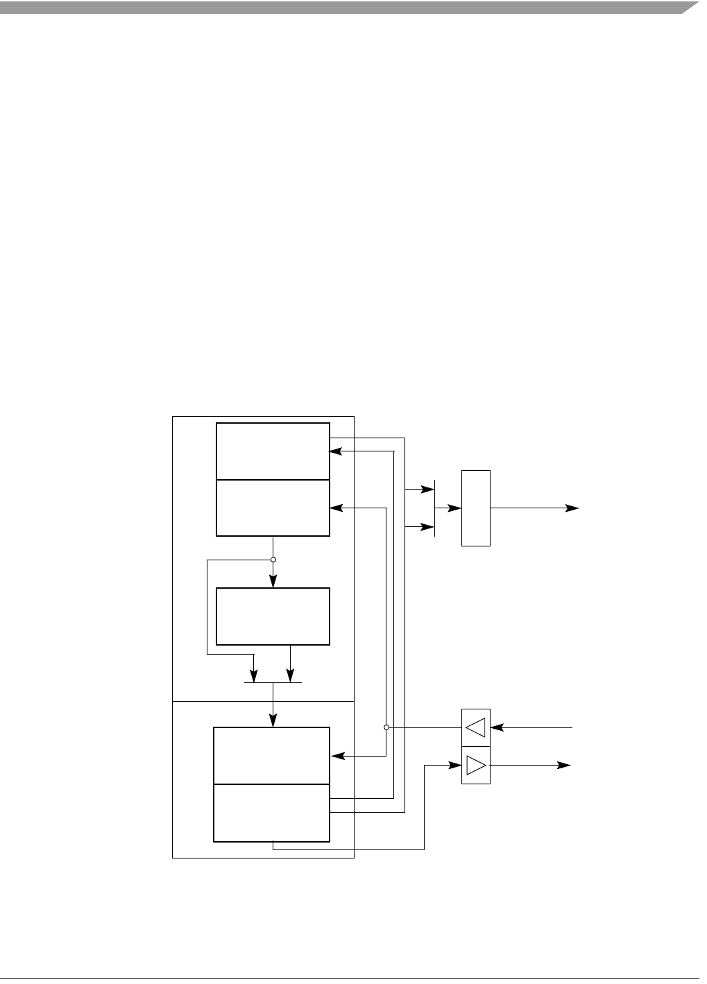
2.1.1 Overview
As with all ColdFire cores, the V2 ColdFire core is comprised of two separate pipelines decoupled by an
instruction buffer.
Figure 2-1. V2 ColdFire Core Pipelines
The instruction fetch pipeline (IFP) is a two-stage pipeline for prefetching instructions. The prefetched
instruction stream is then gated into the two-stage operand execution pipeline (OEP), which decodes the
Instruction
Instruction
FIFO
Decode & Select,
Address
IAG
IC
IB
DSOC
AGEX
Instruction Buffer
Address
Generation
Fetch Cycle
Generation,
Execute
Operand Fetch
Instruction
Operand
Pipeline
Execution
Fetch
Pipeline
Address [ :0]
31
Read Data[31:0]
Write Data[31:0]
MCF5282 and MCF5216 ColdFire Microcontroller User’s Manual, Rev. 3
