Datasheet
Table Of Contents
- 1. General description
- 2. Features and benefits
- 3. Applications
- 4. Ordering information
- 5. Block diagram
- 6. Pinning information
- 7. Functional description
- 7.1 Architectural overview
- 7.2 On-chip flash programming memory
- 7.3 On-chip SRAM
- 7.4 Memory map
- 7.5 Interrupt controller
- 7.6 Pin connect block
- 7.7 General purpose DMA controller
- 7.8 Fast general purpose parallel I/O
- 7.9 Ethernet (LPC2362 only)
- 7.10 USB interface
- 7.11 CAN controller and acceptance filters
- 7.12 10-bit ADC
- 7.13 10-bit DAC
- 7.14 UARTs
- 7.15 SPI serial I/O controller
- 7.16 SSP serial I/O controller
- 7.17 I2C-bus serial I/O controllers
- 7.18 I2S-bus serial I/O controllers
- 7.19 General purpose 32-bit timers/external event counters
- 7.20 Pulse width modulator
- 7.21 Watchdog timer
- 7.22 RTC and battery RAM
- 7.23 Clocking and power control
- 7.24 System control
- 7.25 Emulation and debugging
- 8. Limiting values
- 9. Thermal characteristics
- 10. Static characteristics
- 11. Dynamic characteristics
- 12. ADC electrical characteristics
- 13. DAC electrical characteristics
- 14. Application information
- 15. Package outline
- 16. Abbreviations
- 17. Revision history
- 18. Legal information
- 19. Contact information
- 20. Contents
LPC2361_62 All information provided in this document is subject to legal disclaimers. © NXP B.V. 2013. All rights reserved.
Product data sheet Rev. 5.1 — 15 October 2013 55 of 65
NXP Semiconductors
LPC2361/62
Single-chip 16-bit/32-bit MCU
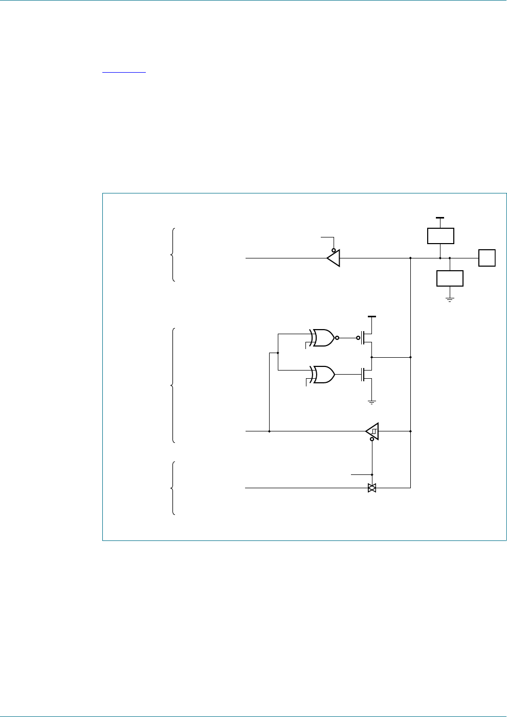
14.5 Standard I/O pin configuration
Figure 25 shows the possible pin modes for standard I/O pins with analog input function:
• Digital output driver
• Digital input: Pull-up enabled/disabled
• Digital input: Pull-down enabled/disabled
• Analog input (for ADC input channels)
The default configuration for standard I/O pins is input with pull-up enabled. The weak
MOS devices provide a drive capability equivalent to pull-up and pull-down resistors.
Fig 25. Standard I/O pin configuration with analog input
PIN
V
DD
ESD
V
SS
ESD
V
DD
weak
pull-up
weak
pull-down
output enable
output
pull-up enable
pull-down enable
data input
analog input
select analog input
002aaf496
pin configured
as digital output
driver
pin configured
as digital input
pin configured
as analog input
