Datasheet

6.117
19" chassis – F
Part number in bold face type: ready for despatch within 2 working days
Part number in normal type: ready for despatch within 10 working days
Main Catalogue
E 03/2009
Tex t
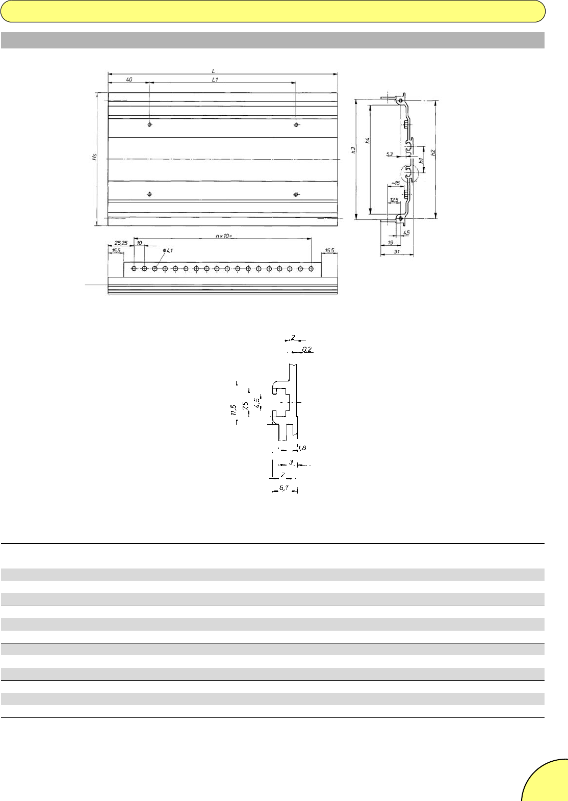
Dimensions
Side panel
A3-304a
Detail "Y"
A3-304b
Y
“Y”
Dimensions table
Height
in U H h
1
h
2
h
3
h
4
LL
1
(n) Y t
2 82.6 – 68.0 71.4 59.0 220.5 140.5 17.0 170 254.5
2 82.6 – 68.0 71.4 59.0 280.5 200.5 23.0 230 314.5
2 82.6 – 68.0 71.4 59.0 340.5 260.5 29.0 290 374.5
3 127.0 24.0 112.5 115.8 103.5 220.5 140.5 17.0 170 254.5
3 127.0 24.0 112.5 115.8 103.5 280.5 200.5 23.0 230 314.5
3 127.0 24.0 112.5 115.8 103.5 340.5 260.5 29.0 290 374.5
4 171.0 68.5 157.0 160.3 148.0 220.5 140.5 17.0 170 254.5
4 171.0 68.5 157.0 160.3 148.0 280.5 200.5 23.0 230 314.5
4 171.0 68.5 157.0 160.3 148.0 340.5 260.5 29.0 290 374.5
6 260.4 157.1 245.9 248.9 236.5 220.5 140.5 17.0 170 254.5
6 260.4 157.1 245.9 248.9 236.5 280.5 200.5 23.0 230 314.5
6 260.4 157.1 245.9 248.9 236.5 340.5 260.5 29.0 290 374.5
Buch inpac.book Seite 117 Freitag, 20. März 2009 3:47 15