Switch User Manual
Table Of Contents
- 6527 User Manual
- Support
- Important Information
- Contents
- About This Manual
- Chapter 1 Getting Started with Your 6527
- Chapter 2 Installing and Configuring the 6527
- Chapter 3 Making Signal Connections
- Chapter 4 Using the 6527
- Appendix A Specifications
- Appendix B Technical Support Resources
- Glossary
- Index

Chapter 4 Using the 6527
6527 User Manual 4-2 ni.com
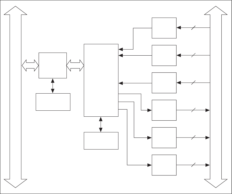
Figure 4-1. 6527 Block Diagram
PCI Interface Circuitry
Your 6527 board uses the PCI MITE ASIC, designed by National
Instruments specifically for data acquisition, to communicate with the
PCI bus. The PCI MITE is fully compliant with PCI Local Bus
Specification 2.0.
Port 0
Isolation
Port 0
Digital
I/O
Circuitry
(FPGA)
EEPROM
16
Port 1
Isolation
Port 1
16
Port 2
Isolation
Port 2
16
Port 3
Isolation
Port 3
16
Port 4
Isolation
Port 4
16
Port 5
Isolation
Port 5
16
I/O Connector
PCI or PXI Bus
EEPROM
PCI
MITE
Interface










