Technical Specifications
Manuals
Brands
National Hardware Manuals
Gate Hardware
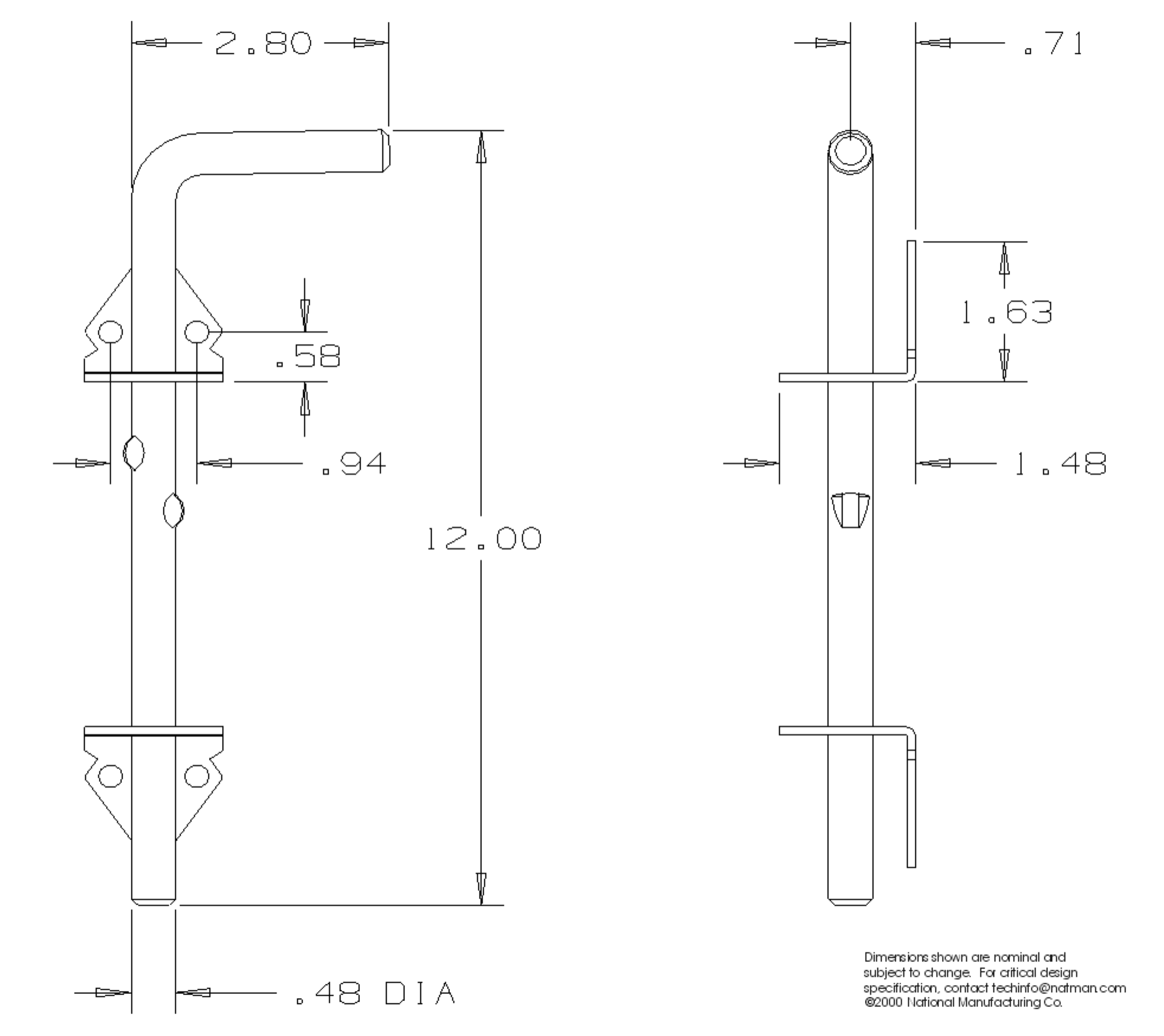
1/2" x 12" Black Cane Bolt
1
1
Summary of content (1 pages)
PAGE 1