User's Manual

Chapter2–InstallingandCablingtheMultiVOIP
MultiVOIP®Voice/FaxoverIPGateways 11
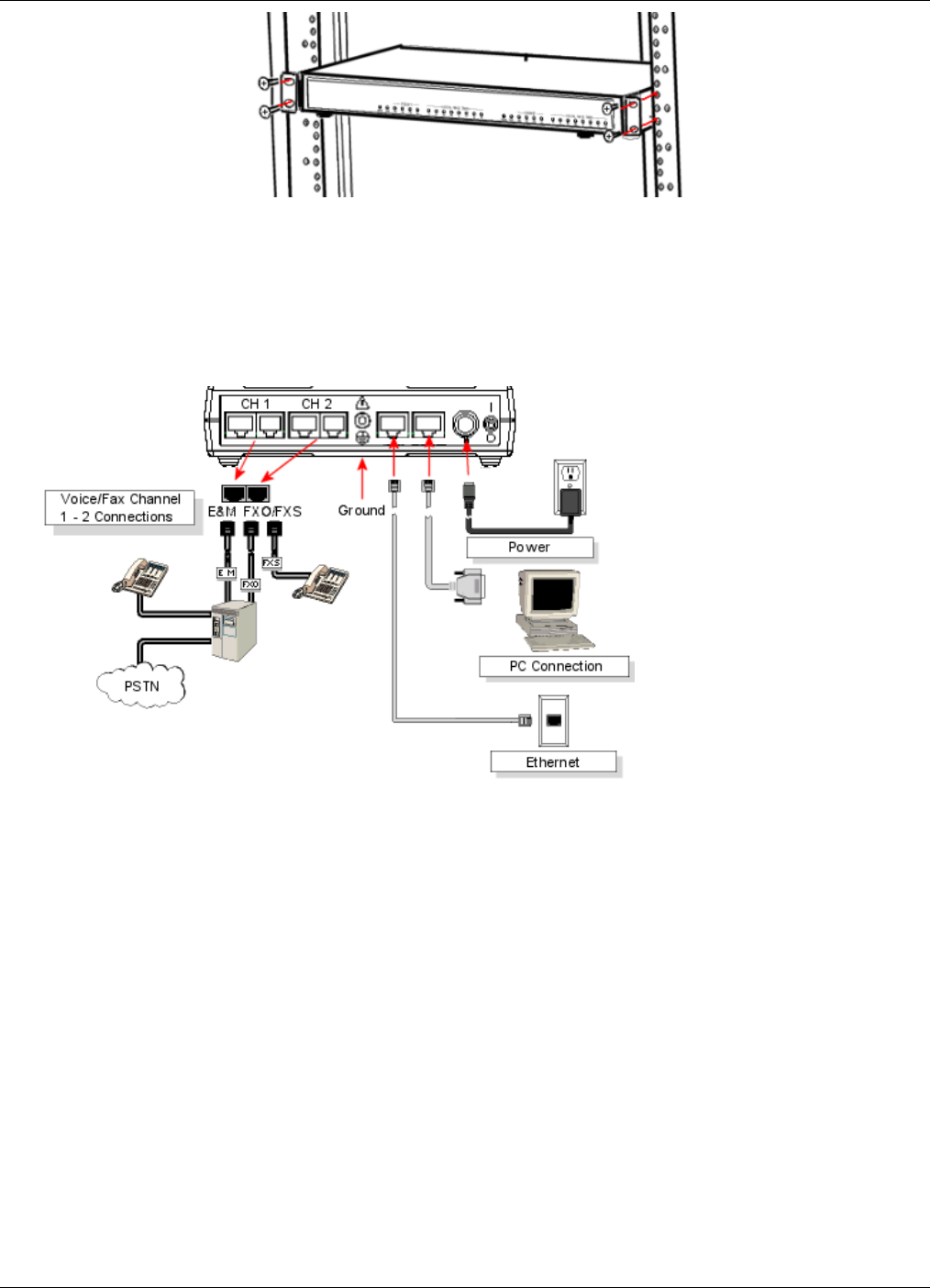
ConnectingtheMVP210toLANandTelephoneEquipment
ToconnecttheMultiVOIPunittoyourLANandtelephoneequipment:
1. ConnectthepowercordsuppliedwithyourMultiVOIPtothepowerconnectoronthebackoftheMultiVOIP
andtoaliveACoutletasshowninthefigurethatfollows.
Note:The–SSand–FXmodelsdonothavetheE&Mjacksasshown.
2. ConnecttheMultiVOIPtoaPCbyusingaRJ‐45(male)toDB‐9(female)cable.PlugtheRJ‐45endofthe
cableintotheCommandportoftheMultiVOIPandtheotherendintothePCserialport.
3. ConnectanetworkcabletotheETHERNET10/100connectoronthebackoftheMultiVOIP.Connectthe
otherendofthecabletoyournetwork.
a. ForanFXSorFXOconnection(‐SSand‐FXseries).
(FXSExamples:analogphone,faxmachine|
FXOExamples:PBXextension,POTSline
fromtelcocentraloffice)
ConnectoneendofanRJ‐11phonecordtotheChannel1FXS/FXOconnectoronthebackofthe
MultiVOIP.Connecttheotherendtothedeviceorphonejack.
b. ForanE&Mconnection.
(E&MExample:trunklinefromtelephoneswitch)
Connectone
endofanRJ‐45phonecordtotheChannel1E&M connectoronthebackoftheMultiVOIP.
Connecttheotherendtothetrunkline.
VerifythattheE&MTypeintheE&MOptionsgroupoftheInterfacedialogboxisthesameastheE&M
trunktypesupported
bythetelephoneswitch.SeeAppendixBforanE&Mcablingpin‐out.










