User Guide
Manuals
Brands
Multiquip Manuals
Other
WM63H5
51
52
53
54
55
56
57
58
59
60
P
A
GE 52 —
WM63-SERIES MIXER • OPERA
TION AND P
ARTS MANU
AL — REV
. #0 (09/27/12)
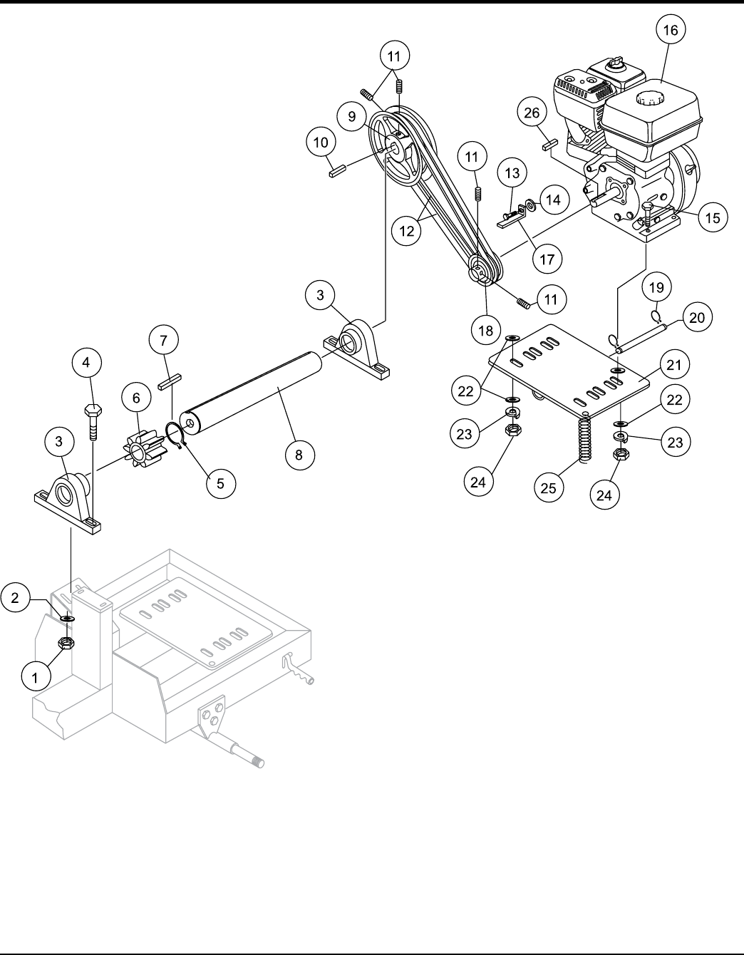
ENGINE ASSY
.
1
...
...
50
51
52
53
54
...
...
60