User Guide
Manuals
Brands
Multiquip Manuals
Other
MVC-90L
31
32
33
34
35
36
37
38
39
40
P
A
GE 34 — MVC-90L PLA
TE COMP
A
CTOR — OPERA
TION & P
ARTS MANU
AL — REV
. #1 (11/01/05)
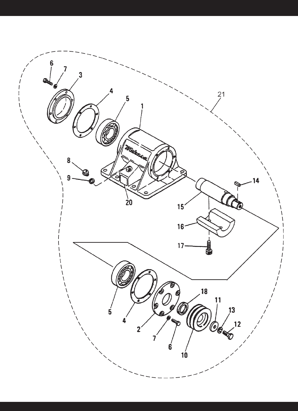
l
VIBRA
T
OR ASSY
.
MVC-90L PLA
TE COMP
A
C
T
OR —
VIBRA
T
OR ASSY
.
1
...
...
32
33
34
35
36
...
...
60