User Guide
Manuals
Brands
Multiquip Manuals
Other
MT-85H
31
32
33
34
35
36
37
38
39
40
P
A
GE 38
—
MT
-85H
—
P
ARTS & OPERA
TION MANU
AL
—
REV
. #8 (06/26/01)
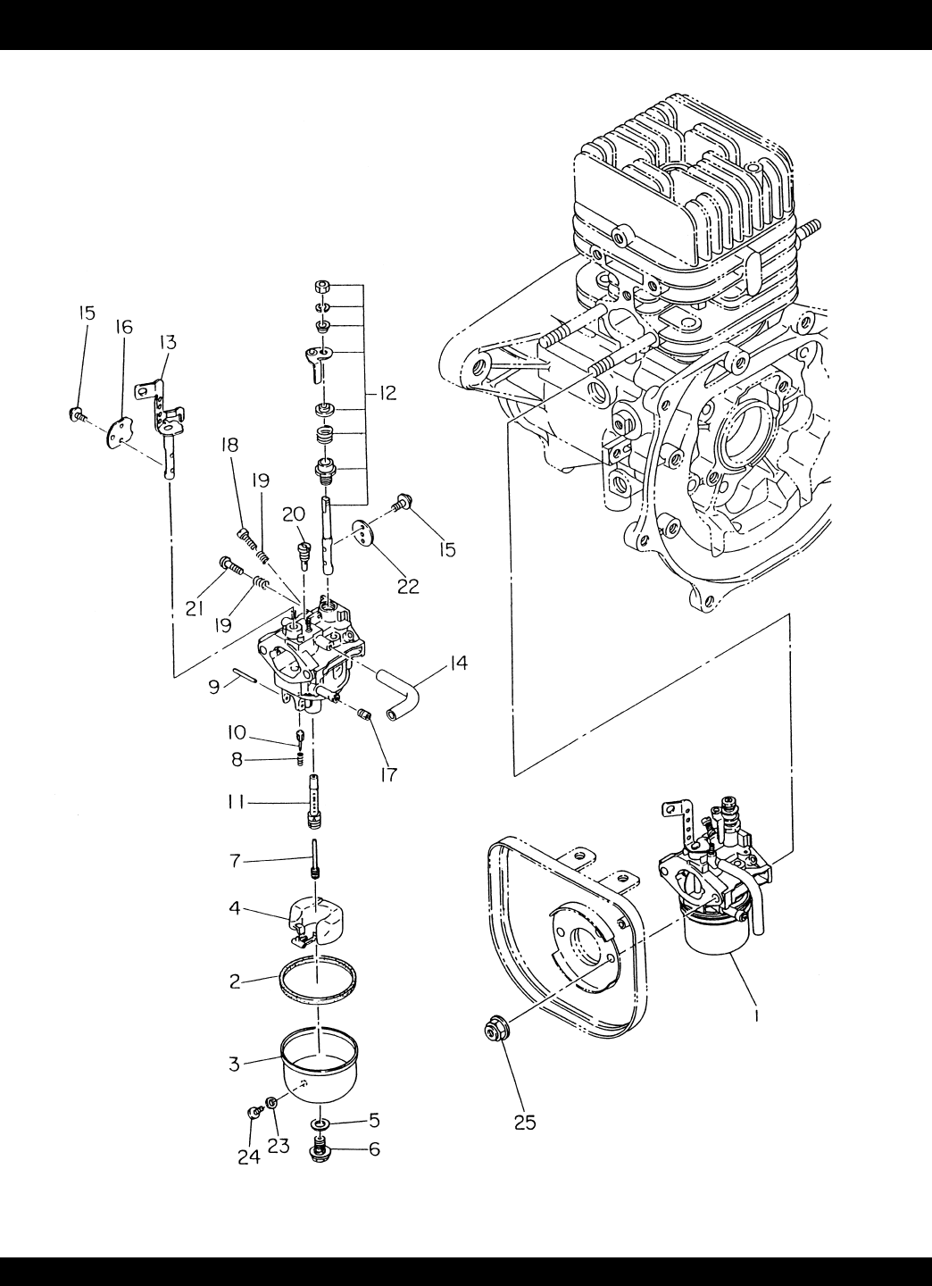
CARBURETO
R
EC-12G ENGINE (ROBIN)
—
CARBURET
OR
1
...
...
36
37
38
39
40
41
...
42