User Guide
Manuals
Brands
Multiquip Manuals
Other
MT-85H
11
12
13
14
15
16
17
18
19
20
P
A
GE 20
—
MT
-85H
—
P
ARTS & OPERA
TION MANU
AL
—
REV
. #8 (06/26/01)
MT
-85H
—
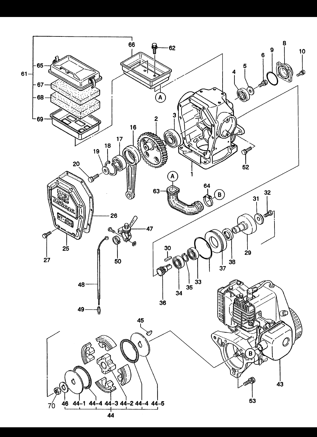
CRANKCASE AND ENGINE
CRANKCASE AND ENGINE
1
...
...
18
19
20
21
22
...
...
42