User manual
Manuals
Brands
MULTIQUIP Manuals
Other
Mixer MC94P
51
52
53
54
55
56
57
58
59
60
P
A
GE 58 —MC94P/S CONCRETE MIXERS — OPERA
TION AND P
ARTS MANU
AL — REV
.
#8 (03/06/09)
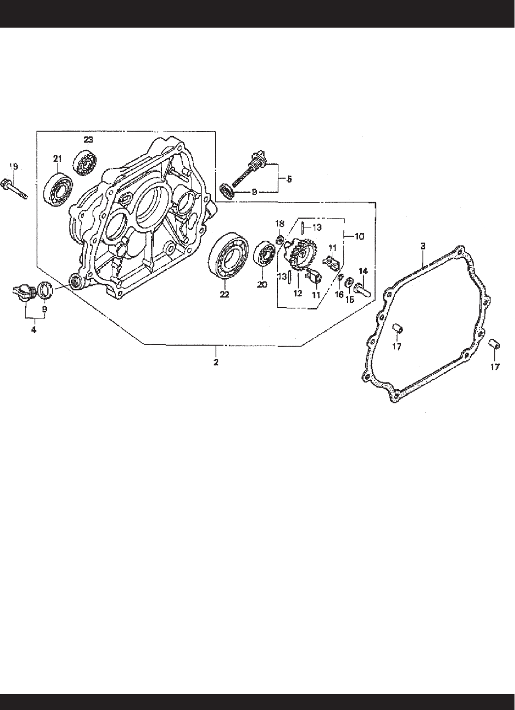
CRANKCASE CO
VER ASSY
.
HOND
A GX240K1QA2 ENGINE — CRANKCASE CO
VER ASSY
.
1
...
...
56
57
58
59
60
...
...
84