User Guide
Manuals
Brands
Multiquip Manuals
Other
MDR-9GH
51
52
53
54
55
56
57
58
59
60
P
A
GE 52 — MQ-MIKASA MDR-9GH
VIBRA
T
OR
Y ROLLER — OPERA
TION AND P
ARTS MANU
AL — REV
. #0 (12/17/03)
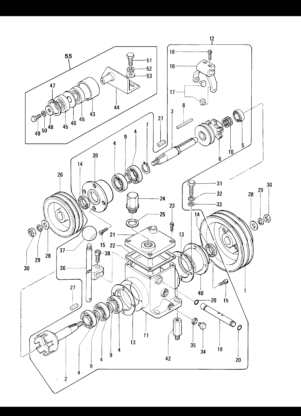
MDR-9GH — CLUTCH BO
X ASSY
.
CLUTCH BO
X ASSY
.
1
...
...
50
51
52
53
54
...
...
106