Mixer User Manual
Manuals
Brands
Multiquip Manuals
Mixer
MC94S
31
32
33
34
35
36
37
38
39
40
P
A
GE 40 —MC94P/S CONCRETE MIXERS — OPERA
TION AND P
ARTS MANU
AL — REV
.
#8 (03/06/09)
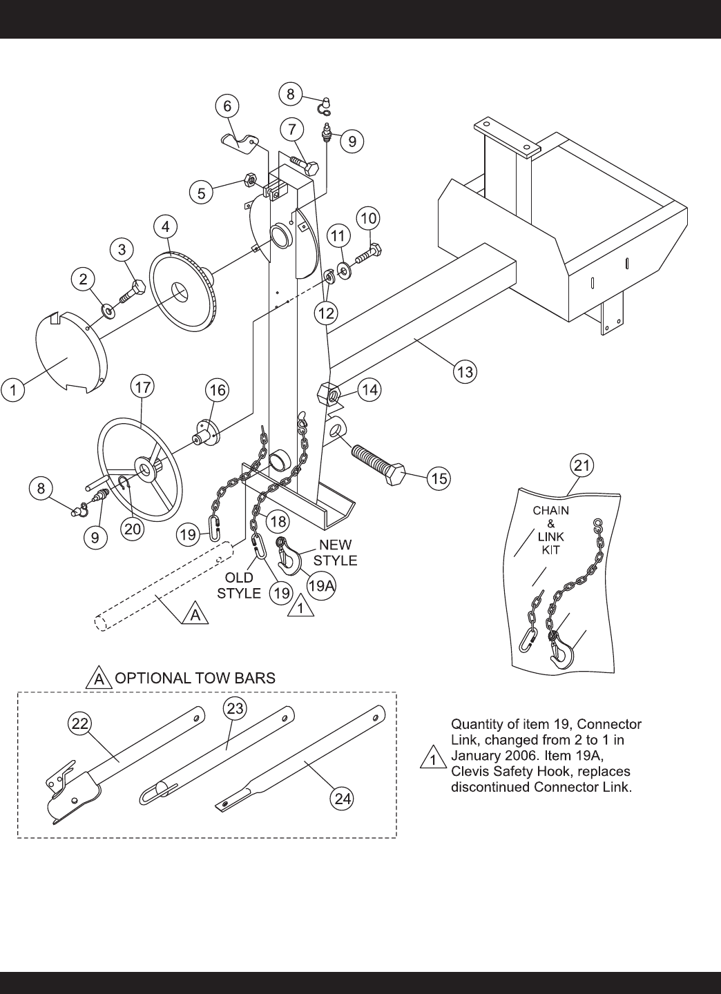
MC94P/S — MAIN FRAME ASSEMBL
Y
MAIN FRAME ASSY
.
1
...
...
38
39
40
41
42
...
...
84