Mixer User Manual
Manuals
Brands
Multiquip Manuals
Mixer
MC94P
41
42
43
44
45
46
47
48
49
50
P
A
GE 48 —MC94P/S CONCRETE MIXERS — OPERA
TION AND P
ARTS MANU
AL — REV
.
#8 (03/06/09)
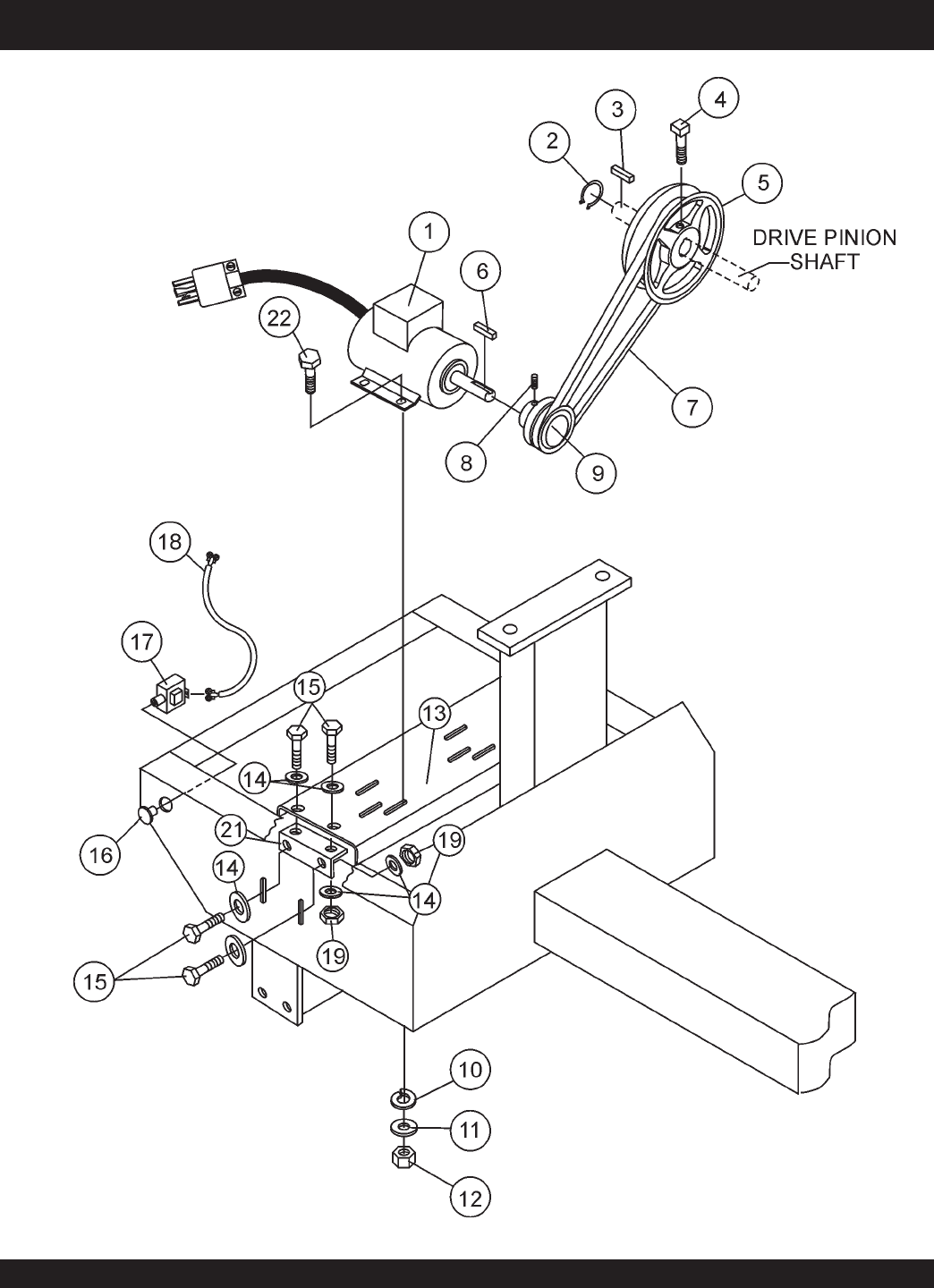
MC94P/S — ELECTRIC MO
T
OR MOUNTING PLA
TE ASSEMBL
Y
ELECTRIC MO
T
OR MOUNTING PLA
TE ASSY
.
1
...
...
46
47
48
49
50
...
...
84