Specifications
Manuals
Brands
Multiquip Manuals
Portable Generator
ga-6h
41
42
43
44
45
46
47
48
49
50
P
A
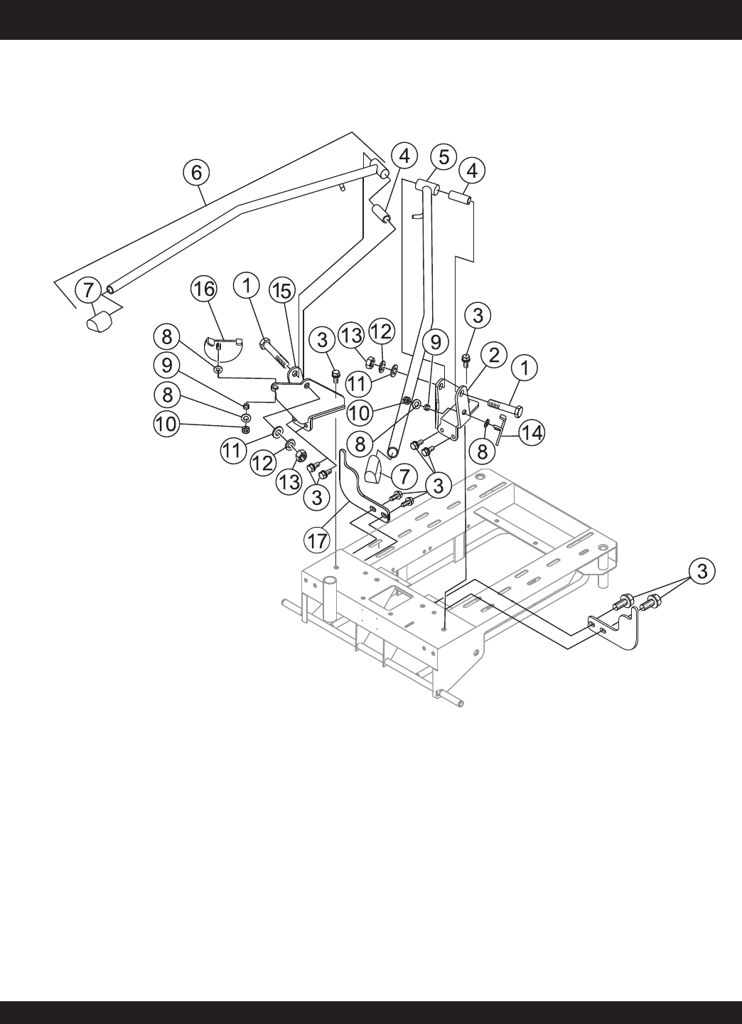
GE 44 — GB113BC GLOBUG LIGHTING SYSTEM — OPERA
TION AND P
ARTS MANU
AL — REV
.
#4 (01/06/09)
OUTRIGGER ASSY
.
OUTRIGGER ASSY
.
1
...
...
42
43
44
45
46
...
...
64