Specifications

PAGE 28 — GB113BC GLOBUG LIGHTING SYSTEM — OPERATION AND PARTS MANUAL — REV. #4 (01/06/09)
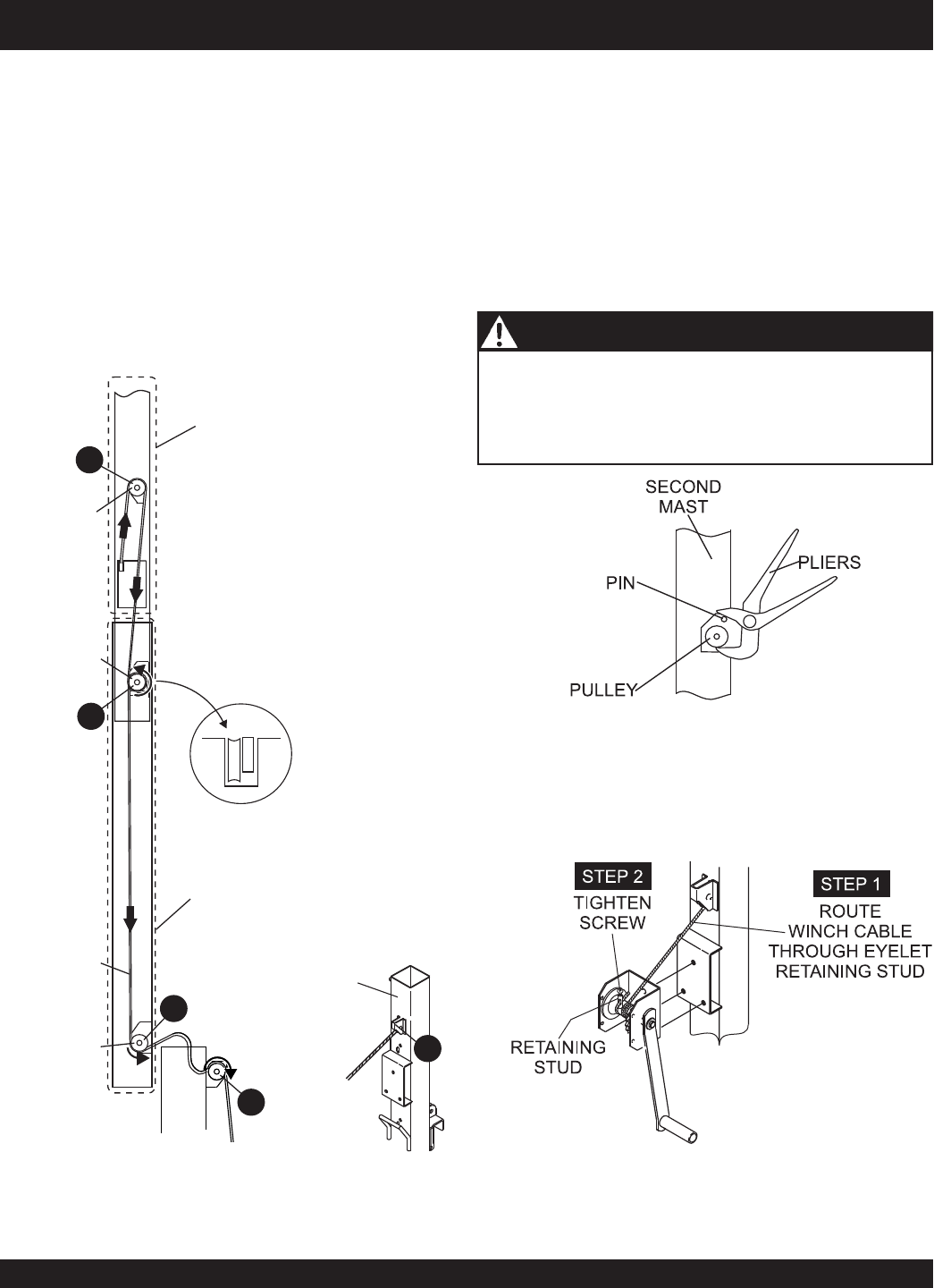
Installation of Winch Cable
1. Route (pass) a new winch cable through the main mast
pulley
A (Figure 36).
2. Route the winch cable around the
upper pulley
D
of
the third mast section from back to front.
3. Route the winch cable around the
upper pulley
C
of
the
second mast section from back to front.
CAUTION - Winch Cable Safety Stopper
When placing the second mast into the main mast (first), pinch
(squeeze) the pulley and pin with pliers (Figure 37) to hold the
stopper (cable latch). This will keep the cable stop latch from
being activated.
10.Route the tip of the winch cable (Figure 38) through the
eyelet retaining stud. Insert cable retaining screw at top
of stud and tighten.
Figure 37. Bypassing Cable Stop Latch
Figure 38. Connecting the Winch Cable to the Winch
5. Route the winch cable around the
lower pulley
B
of
the
second mast from front to back.
6. Continue pulling the cable and slide down the mast, be-
ing careful not to activate the cable stop latches.
8. Route the cable around the pulley of the first mast
A .
9. Place the second mast into the main (first) mast. Next,
place the third mast into the second mast.
Figure 36. Attaching the Winch Cable
MAINTENANCE
THIRD
MAST
B
A
D
UPPER
PULLEY
UPPER
PULLEY
SECOND
MAST
WINCH
CABLE
LOWER
PULLEY
B
BA
MAIN MAST
FRONT-VIEW
TO
WINCH
A
C










