User Guide
Manuals
Brands
Multiquip Manuals
Other
EM-120SM
31
32
33
34
35
36
37
38
39
40
P
A
GE 34 — ESSICK EM-120SM— OPERA
TION AND P
ARTS MANU
AL — REV
.
#5 (03/29/10)
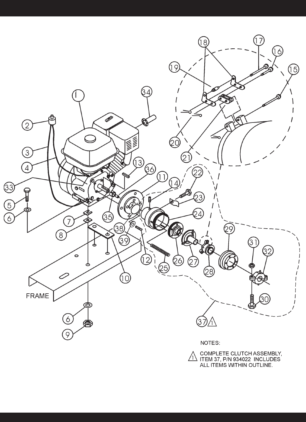
EM-120SM — HOND
A ENGINE ASSY
.
HOND
A ENGINE ASSY
.
1
...
...
32
33
34
35
36
...
...
42