Manual
Manuals
Brands
Multiquip Manuals
Generators
DCA70SSIU2
41
42
43
44
45
46
47
48
49
50
P
A
GE 46 — DCA70SSIU2 60 HZ GENERA
T
OR • OPERA
TION AND P
ARTS MANU
AL — REV
.
#0 (05/29/09)
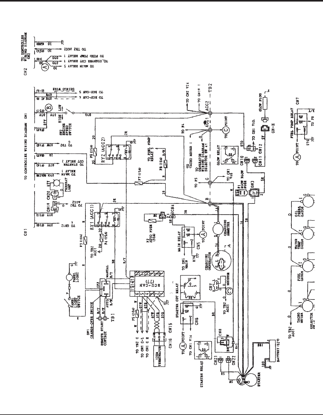
ENGINE WIRING DIAGRAM
Engine Wiring
Diagram
Figure 64.
1
...
...
44
45
46
47
48
...
...
84