Manual
Manuals
Brands
Multiquip Manuals
Generators
DCA70SSIU2
41
42
43
44
45
46
47
48
49
50
DCA70SSIU2 60 HZ GENERA
T
OR • OPERA
TION AND P
ARTS MANU
AL — REV
.
#0 (05/29/09) — P
A
GE 45
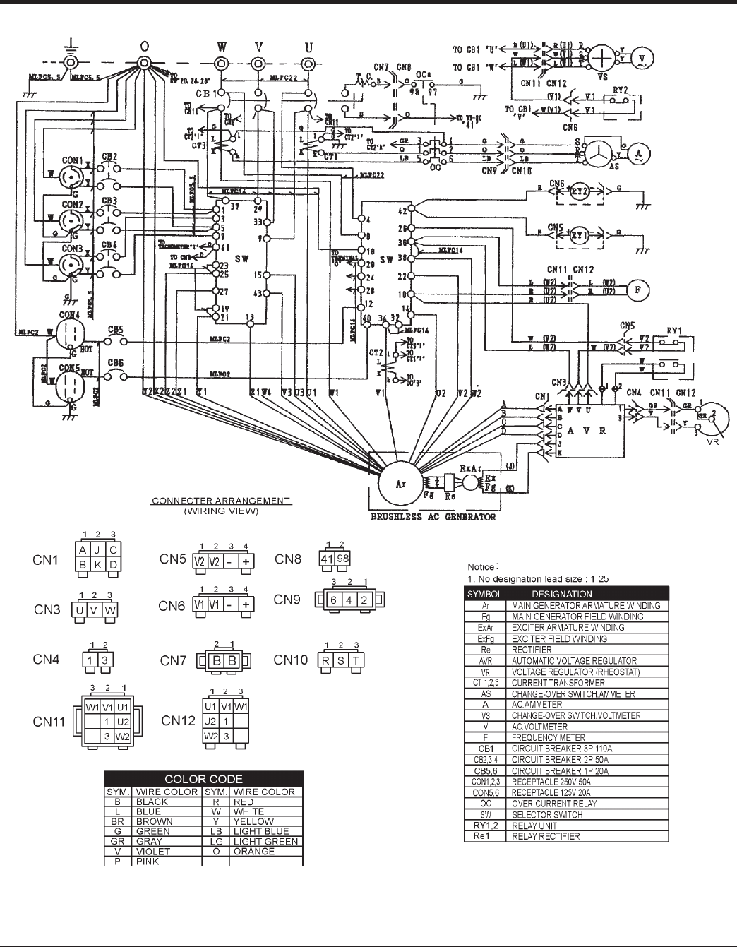
GENERA
TOR WIRING DIAGRAM
Generator Wiring
Diagram
Figure 63.
1
...
...
43
44
45
46
47
...
...
84