Manual
Manuals
Brands
Multiquip Manuals
Generators
DCA20SPXU4F
61
62
63
64
65
66
67
68
69
70
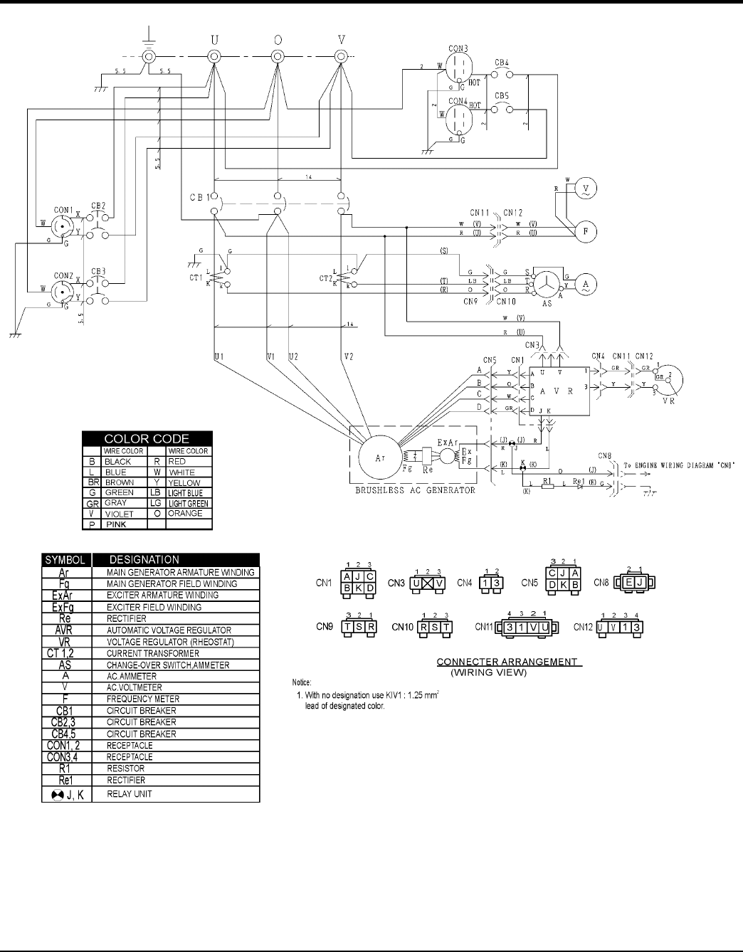
GENERA
TOR WIRING DIAGRAM
1
...
...
60
61
62
63
64
...
...
104