User Guide
Manuals
Brands
Multiquip Manuals
Other
DCA-600SSV
51
52
53
54
55
56
57
58
59
60
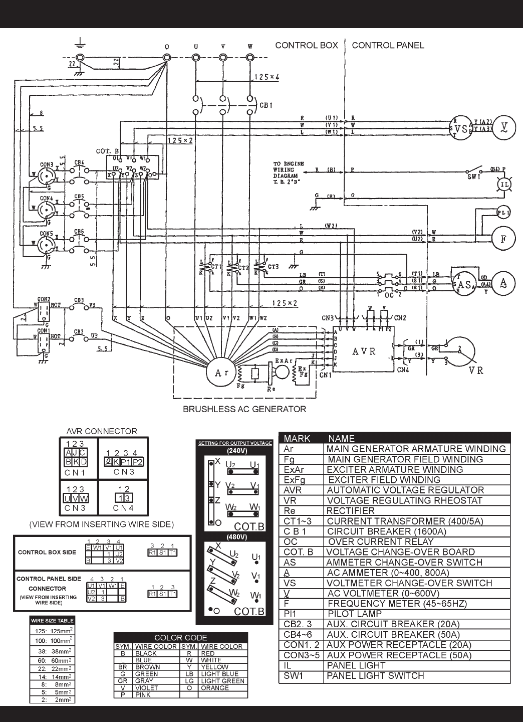
DCA-600SSV — OPERATION AND PARTS MANUAL — REV. #0 (07/13/09) — PAGE 53
DCA-600SSV —GENERA
T
OR
WIRING DIA
GRAM
DCA-600SSV — ENGINE
WIRING DI
A
Figure 74.
Generator
Wiring Diagram
1
...
...
51
52
53
54
55
...
...
108