
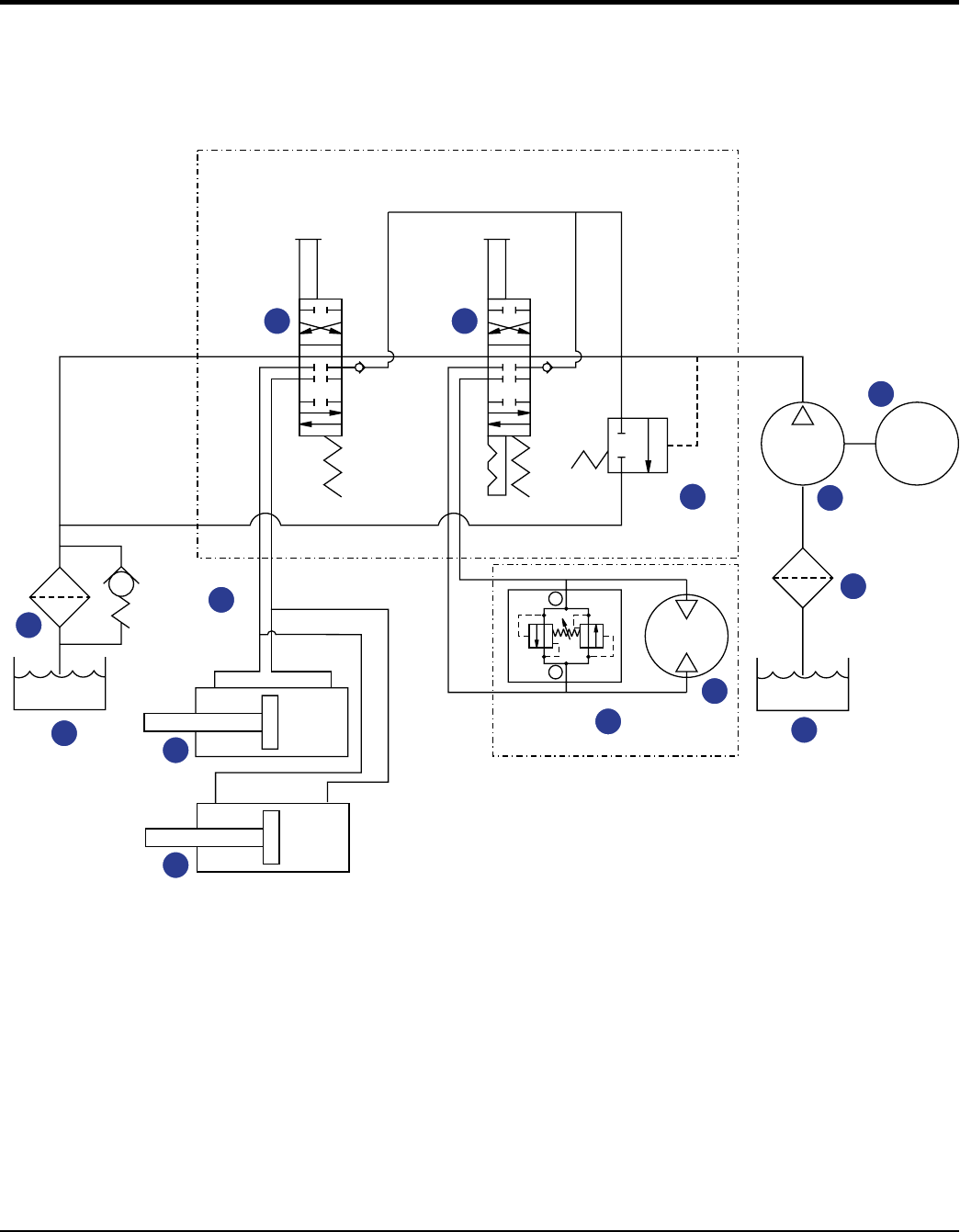
CYLINDER
CYLINDER
RELIEF
VALVE
1750 PSI
GEAR
PUMP
ENGINE
TANK
SUCTION
STRAINER
HYDRAULIC
DUMP
FORWARD/REVERSE
TANK
RETURN
FILTER
BYPASS
25 PSI
HYD
MOTOR
1
2
RELIEF
VALVE
1750 PSI
HYDRAULIC SYSTEM DIAGRAM
98
10
12
2
5
1
4
11
6
7
13
1
3
HYDRAULIC SYSTEM DIAGRAM