User Guide

PAGE 10 — INSTALLATION OPERATION MANUAL — REV. #0 (08/19/09)
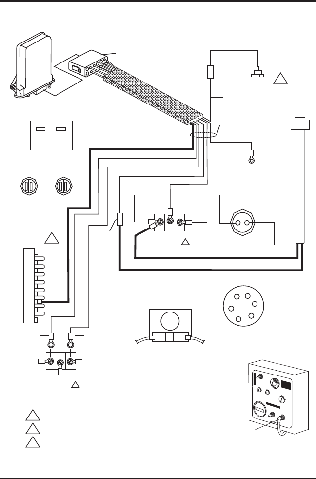
Wiring DiagramFigure 2.
DECREASE
TERMINAL
STRIP
(+12VDC)
BATT +
ADD
TERMINAL
RING
BLACK
WHITE
PUMPING
CONTROL
SWITCH
WHITE (ADD)
BLACK (ADD)
ENGINE OIL
SENSOR
EMERGENCY
STOP
PIN 4 (WHITE)
SPLICE
SPLICE
REMOTE (WHITE)
DECREASE (WHITE)
INCREASE (WHITE)
BATT + (RED)
FRAME GROUND
BLACK
PIN 9 (WHITE)
12-PIN
DATA CABLE
HOUR
METER
R
E
M
O
T
E
C
A
B
L
E
Y
E
L
L
O
W
THROTTLE
HIGH/LOW
SWITCH
IGNITION
SWITCH
EMERGENCY
STOP
SWITCH
7-WIRES
CHECK
ENGINE
HOOD
OPEN
ADD
TERMINAL
RING
ADD
TERMINAL
RING
2
1
13
2
1
32
E
N
G
IN
E
H
O
U
R
S
R
E
M
O
T
E
O
N
P
U
M
P
O
N
O
FF
IG
NITIO
N
S
W
ITCH
O
FF
O
N
S
T
A
RT
R
E
M
O
T
E
O
U
T
L
E
T
H
IG
H
L
O
W
P
U
M
P
IN
G
C
O
N
T
R
O
L
H
O
O
D
O
P
E
N
C
H
E
C
K
E
N
G
IN
E
EME
RGENC
Y
STOP
CONNECT YELLOW
REMOTE CABLE TO
RECEPTACLE LABELED
“REMOTE OUTPUT”
NOTE:
WIRING DIAGRAM SHOWS REAR VIEW OF COMPONENTS.
1
1
1
REDORPINK
INCREASE
RX4 RADIO CONTROL
RECEIVER
M
IRA
TRON
T
H
R
O
T
T
L
E
2
TERMINAL STRIP IS NOT MARKED. WIRE CAN BE CONNECTED
TO ANY PIN (+12VDC BUS). PIN 2 RECOMMENDED.
2
ENGINE OIL SENSOR IS LOCATED BEHIND LEFT REAR OF CLUTCH.
3
3
WIRING DIAGRAM










