User guide
Manuals
Brands
Multiquip Manuals
Equipment
BHN
11
12
13
14
15
16
17
18
19
20
P
A
GE 14 — BHN RIDE-ON PO
WER
TRO
WEL— P
ARTS & OPERA
TION MANU
AL — REV
.
#1 (10/17/02)
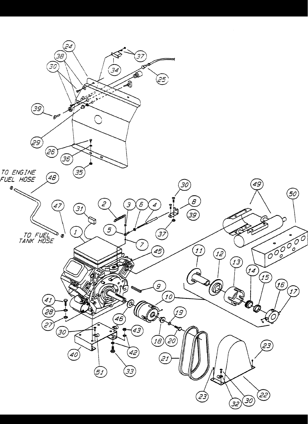
25 HP K
OHLER ENGINE ASSY
.
BHN RIDE-ON PO
WER
TR
O
WEL— 25 HP K
OHLER ENGINE ASSY
.
1
...
...
12
13
14
15
16
...
...
64