User guide
Manuals
Brands
Multiquip Manuals
Equipment
BHN
1
2
3
4
5
6
7
8
9
10
P
A
GE 10 — BHN RIDE-ON PO
WER
TRO
WEL— P
ARTS & OPERA
TION MANU
AL — REV
.
#1 (10/17/02)
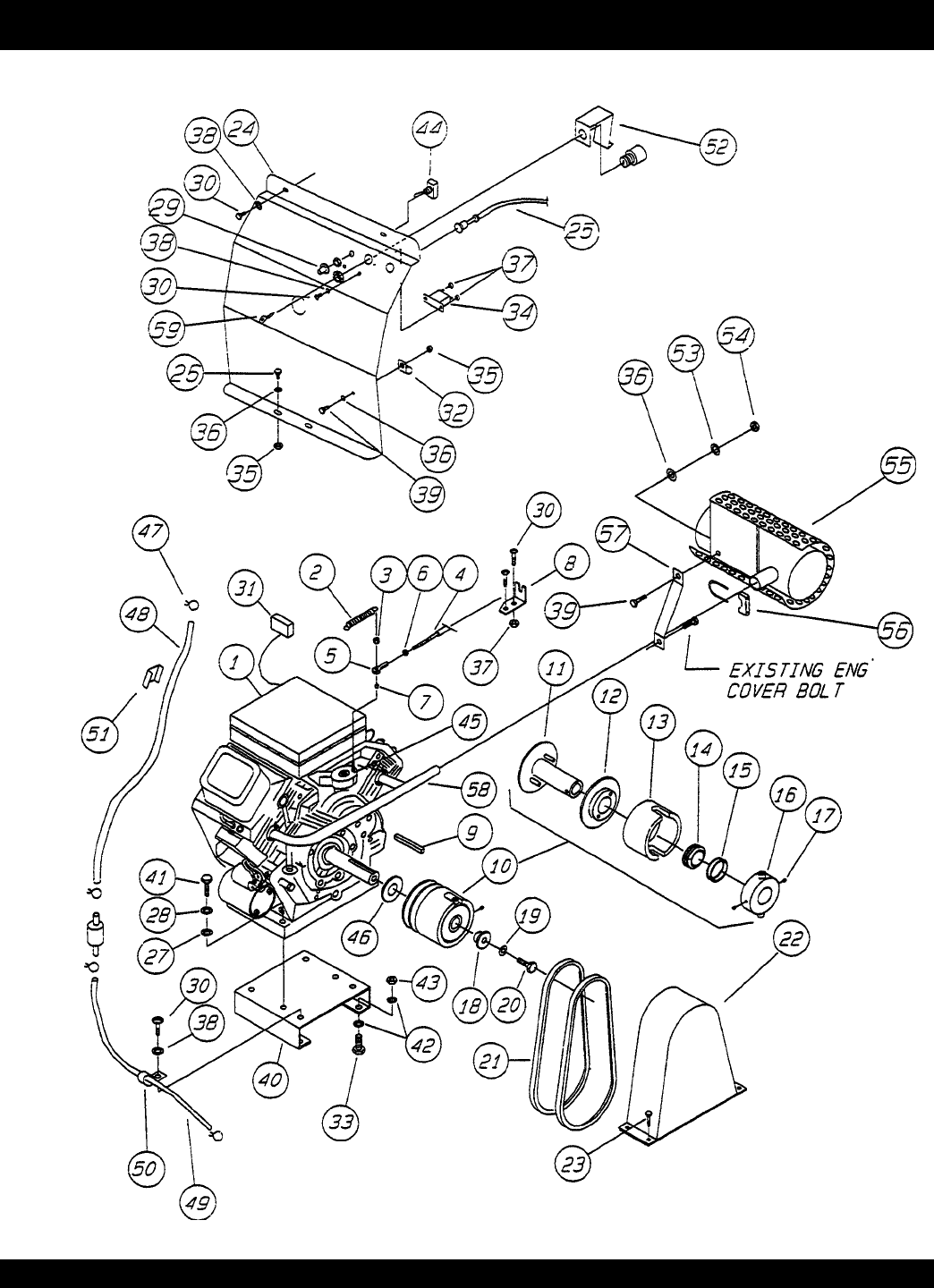
20 HP K
OHLER ENGINE ASSY
.
BHN RIDE-ON PO
WER
TR
O
WEL— 20 HP K
OHLER ENGINE ASSY
.
1
...
...
8
9
10
11
12
...
...
64