user manual
MRH800DS2 VIBRATORY ROLLER • OPERATION AND PARTS MANUAL — REV. #1 (04/12/11) — PAGE 55
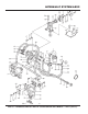
HYDRAULIC OIL TANK ASSY.
NO. PART NO. PART NAME QTY. REMARKS
1 515118050 OIL TANK , (N) 1
2 953405840 DRAIN PLUG M18 1
3 953402930 COPPER PACKING 19X30X1 1
4 953400270 PLUG 1/4X14 10L 1
5 953405260 PACKING 1/4 (CU) 1
13 955407500 OIL GAUGE/KLA-60-A-B 1
18 030210250 WASHER, LOCK M10 22
34 012210035 BOLT 10X35 T...................................................14...............REPLACES 001221035
47 031110160 WASHER, FLAT M10 IN SYSTEM 8
54 0105091025 BOLT 10X25 T....................................................2................REPLACES 001221025










