user manual
MRH800DS2 VIBRATORY ROLLER • OPERATION AND PARTS MANUAL — REV. #1 (04/12/11) — PAGE 49
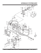
WATER TANK ASSY.
NO. PART NO. PART NAME QTY. REMARKS
41 515119400 WATER TANK 1
42 954300342 CAP, WATER TANK /MR 1
43 001241030 BOLT 10X30 U 1
44 033910010 WASHER 10.5X21X2 SUS 2
45 022910180 NYLON NUT M10 (SUS) 1
46 954404910 HOSE JOINT 17D 1
47 954404840 FILTER, TANK /MR 1
48 953404900 PACKING 26X36X3 2
49 959404880 NUT 3/4 2
50 506403990 CAP PS1 2
51 953404000 PACKING, CAP PS1 1
52 506434680 STOPPER, FRONT 2
53 506434690 SPACER, WATER TANK 39L 4
54 001221253 BOLT 12X65 T 4
55 030212300 WASHER, LOCK M12 4
62 954405680 CONNECTOR 1/4x10 2
65 516454950 WATER HOSE (T) 330L 1
70 515449870 HOLDER, STOPPER 2
71 517338540 STOPPER 2
74 001220610 BOLT 6X10 T 4
75 031106100 WASHER, FLAT M6 4
76 030206150 WASHER, LOCK M6 4
86 515449880 HOLDER (R) 2
87 952405950 WASHER 13506 2










