User`s manual
Table Of Contents
- Copyright Notice
- Trademarks
- Revision History
- Technical Support
- Safety Instructions
- FCC-B Radio Frequency Interference Statement
- WEEE (Waste Electrical and Electronic Equipment) Statement
- English
- Software Information
- BIOS Setup
- Slots
- Jumper
- LED Status Indicators (optional)
- Connectors
- Back Panel
- Power Supply
- Memory
- CPU (Central Processing Unit)
- Screw Holes
- Quick Components Guide
- Mainboard Specifications
- Deutsch
- Software-Information
- BIOS Setup
- Steckplätze
- Steckbrücke
- LED Statusanzeige (optional)
- Anschlüssen
- Rücktafel
- Stromversorgung
- Speicher
- CPU (Prozessor)
- Schraubenlöcher
- Komponenten-Übersicht
- Spezifikationen
- Français
- Information Logiciel
- Réglage BIOS
- Emplacements
- Cavalier
- Indicateur de statut LED (en option)
- Connecteurs
- Panneau arrière
- Connecteurs d’alimentation
- Mémoire
- Processeur : CPU
- Trous Taraudés
- Guide Rapide Des Composants
- Spécifications
- Русский
- Сведения о программном обеспечении
- Настройка BIOS
- Слоты
- Перемычки
- Световые индикаторы (опционально)
- Коннекторы
- Задняя панель
- Разъем питания
- Память
- CPU (Центральный процессор)
- Отверстия для винтов
- Размещение компонентов системной платы
- Характеристики

En-4
MS-7673 Mainboard
English
MS-7673 Mainboard
English
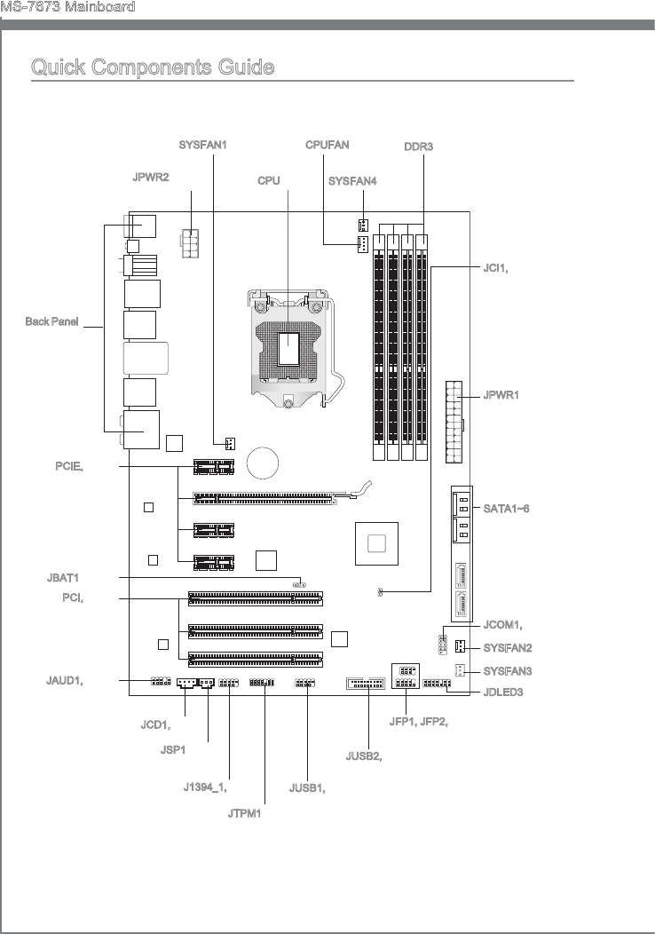
Quick Components Guide
Back Panel,
En-13
CPU, En-6
CPUFAN, En-17
DDR3, En-10
JPWR2, En-12
JPWR1, En-12
SYSFAN3, En-17
SATA1~6, En-16
JFP1, JFP2, En-18
JUSB1, En-18
JCOM1, En-17
JSP1, En-20
JCD1, En-21
JAUD1, En-19
JCI1, En-22
JTPM1, En-21
PCIE, En-25
SYSFAN1, En-17
JBAT1, En-24
SYSFAN4, En-17
J1394_1, En-20
BA
TT
+
SYSFAN2, En-17
JUSB2, En-19
PCI, En-26
JDLED3, En-22










