Installation Owner manual

INSTALLATION INSTRUCTIONS 5
M S D • W W W . M S D P E R F O R M A N C E . C O M • ( 9 1 5 ) 8 5 7 - 5 2 0 0 • F A X ( 9 1 5 ) 8 5 7 - 3 3 4 4
1. Remove the existing distributor cap without
disconnecting any of the spark plug
wires.
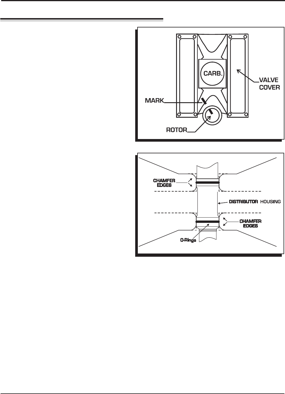
2. With the cap off, crank the engine until the
rotor is aimed at a fixed point on the engine
or firewall. Note this position by making a
mark (Figure 8).
3. Place the distributor cap back on and
note which plug wire the rotor is pointing
to. MARK THE SPARK PLUG WIRES and
remove the distributor cap.
4. Disco n ne c t the wi rin g fro m the
distributor.
5. Loosen the distributor hold down clamp
and slide the clamp out of the way.
6. Lift the distributor out of th e engine.
Note that the rotor rotates as you lift
the distributor out. This is due to the
helical cut gear and should be taken into
considerat ion when installing the new
distributor.
7. Install the ga sket and apply a liberal
amount of the supplied lubricant to the
distributor gear. (The supplied O-rings
can only be used if the block has been
modified as shown in Figure 9.)
8. Install the distributor making sure that the
rotor comes to rest pointing at the fixed
mark. If the distributor will not fully seat with
the rotor pointing to the marked position,
you may need to rotate the oil pump shaft
until the rotor lines up and the distributor
fully seats.
9. Position and tighten the hold down clamp
onto the distributor.
Figure 8 Marking the Rotor Location.
INSTALLING THE DISTRIBUTOR
Figure 9 Modified Block for use with O-Rings.
NOTE: BLOCK MUST BE MODIFIED TO USE O-RINGS.
10. Install the distributor cap and spark plug wires one at a time to ensure correct location.








