Use and Care Manual
Manuals
Brands
MRCOOL Manuals
Forced Air Furnaces
70,000 BTU 95% AFUE Upflow/Horizontal Multi-Speed Low NOX Gas Furnace with 17.5 in. Cabinet
1
2
3
4
5
6
7
8
9
10
507276-05C
Page 3 of 57
mrcool.com
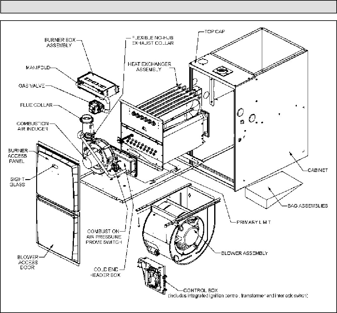
Figure 1.
Parts
Arrangement
1
...
2
3
4
5
6
...
...
59