Use and Care Manual
Manuals
Brands
MRCOOL Manuals
Forced Air Furnaces
45,000 BTU 95% AFUE Upflow/Horizontal Multi-Speed Low NOX Gas Furnace with 17.5 in. Cabinet
41
42
43
44
45
46
47
48
49
50
507276-05C
mrcool.com
E045B3
E135D5
E1
10C5
E090C4
E070B3
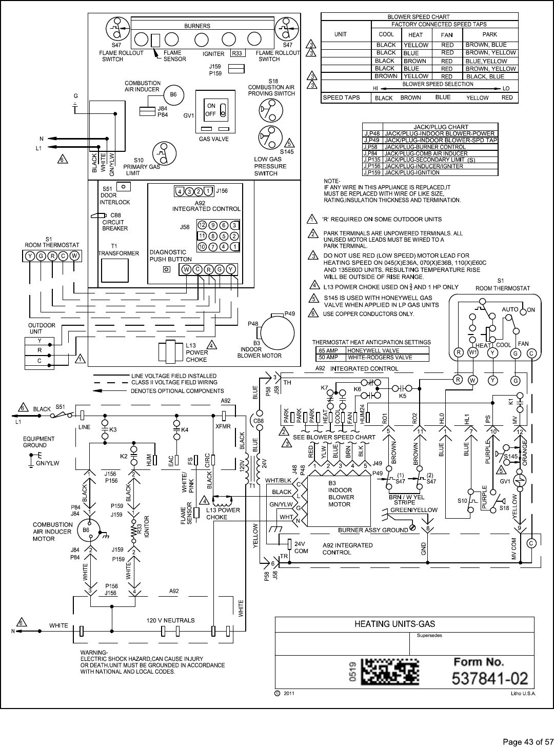
Figure 67. T
ypical Wiring Diagram
1
...
...
42
43
44
45
46
...
...
59