Installation Instructions

5.4.3
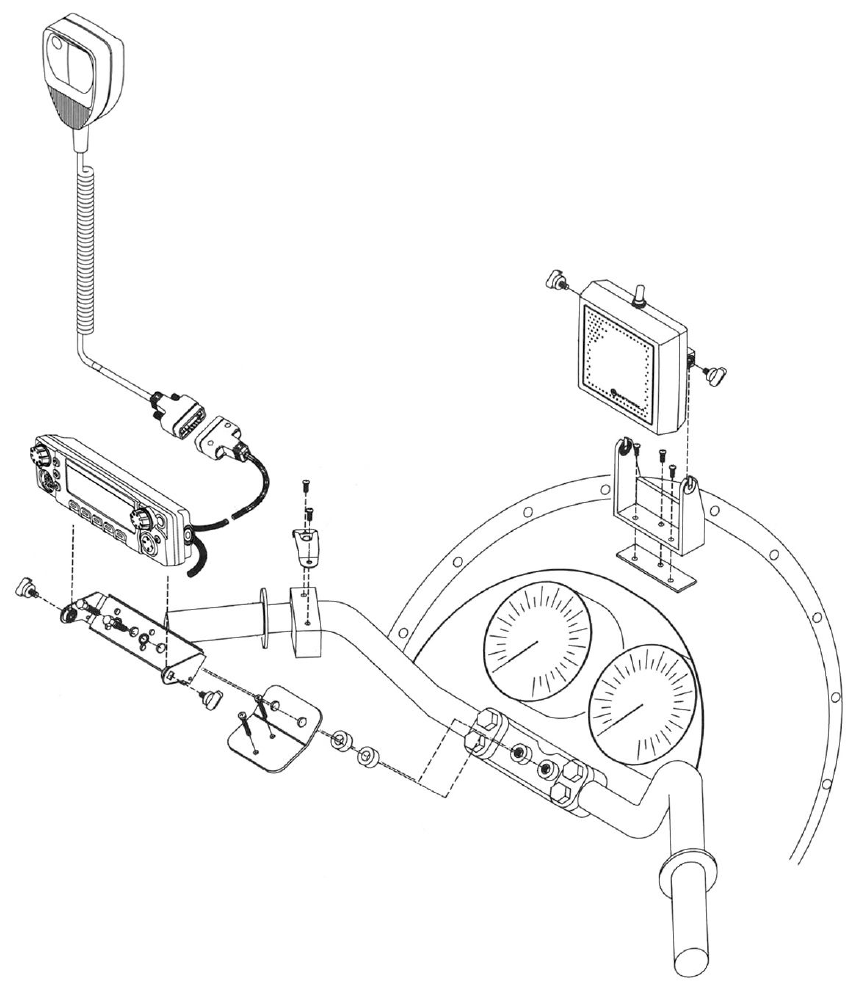
Handlebar Installation with Speaker and Control Head Mounted
Separately
It may be necessary to use the smaller control head bracket (part number 0780127N02) and mount the
speaker and microphone hang-up clip in another location on the motorcycle.
Temporarily fasten the control-head end of the control-head cable to the control head. Also, fasten the
control head to its bracket before installing the control head using the described bracket. Motorola
Solutions-supplied spacers and mic-cable bracket are required to mount the control head to the
handlebar. This mic-cable bracket has holes to mount the microphone-cable connector.
Figure 104: Handlebar Installation with Speaker and Control Head Mounted Separately
MN005720A01-AB
Chapter 5: Motorcycle Radio Installation
106










