User Manual
Manuals
Brands
Mosa Manuals
Generators & Power
51kva Perkins Three Phase Diesel Generator
49
50
51
52
53
54
55
56
57
58
GE 35 - 45 YSX
GE 35 - 50 PSSX
M
61.8
REV
.1-02/16
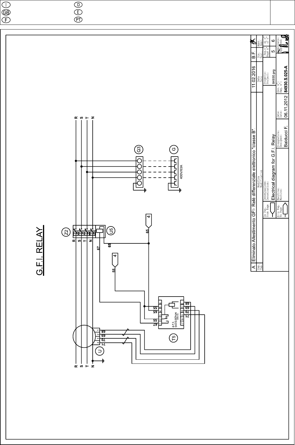
Schema elettrico
Electric diagram
Schemas electriques
Stromlaufplan
Esquema eléctrico
23/1
1/12 84930-I
1
...
...
54
55
56
57
58