User Manual
Manuals
Brands
Mosa Manuals
Generators & Power
51kva Perkins Three Phase Diesel Generator
49
50
51
52
53
54
55
56
57
58
GE 35 PSSX
M
61.4
REV
.0-02/16
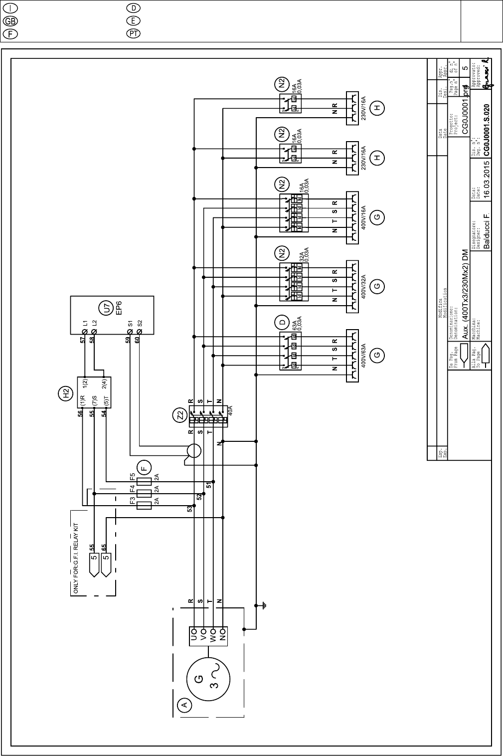
Schema elettrico
Electric diagram
Schemas electriques
Stromlaufplan
Esquema eléctrico
1
...
...
50
51
52
53
54
...
...
58