User Manual
Manuals
Brands
Mosa Manuals
Generators & Power
51kva Perkins Three Phase Diesel Generator
41
42
43
44
45
46
47
48
49
50
M
61.1
REV
.0-1
1/12
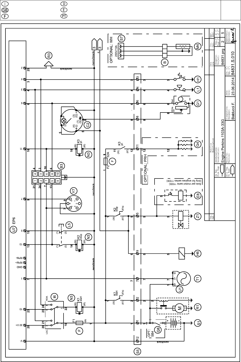
Schema elettrico
Electric diagram
Schemas electriques
Stromlaufplan
Esquema eléctrico
23/1
1/12 84831-IT
1
...
...
47
48
49
50
51
...
...
58