User Manual

DESCRIPTION OF THE MACHINE
M
0
REV.0-10/14
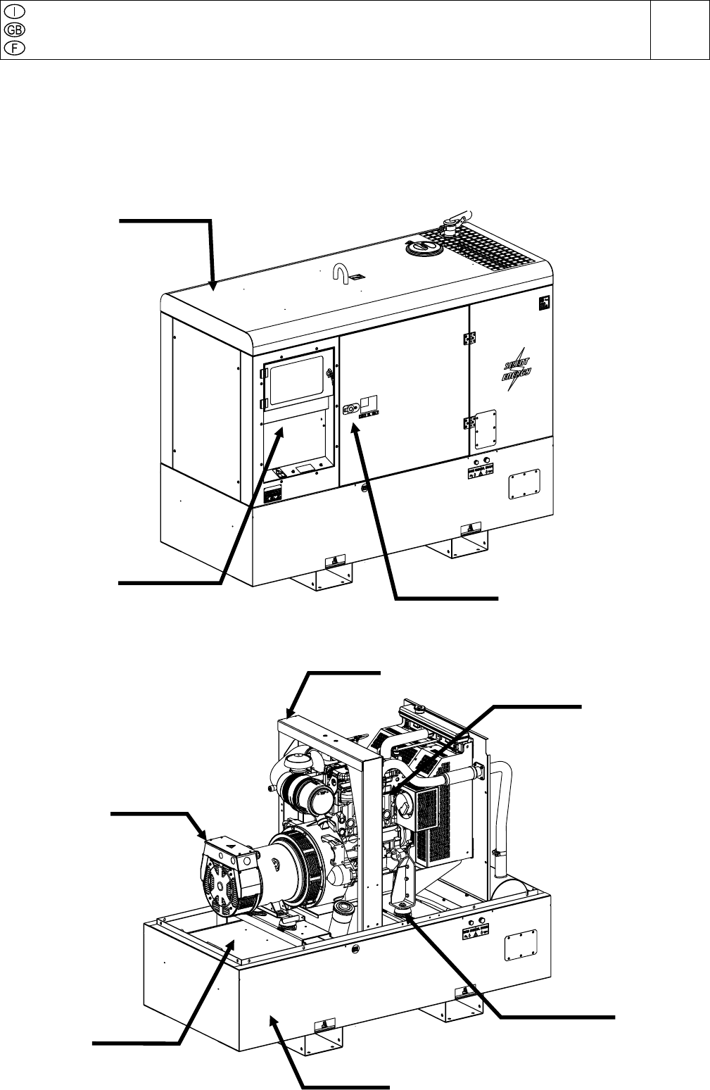
The generating set is a unit which transforms the mechanical energy, generated by endothermic engine,
into electric energy, through an alternator.
The unit is composed of a structured base which includes a tank, an engine/alternator unit xed on the
base by elastic dampers, a roll-bar, with hook for an easy and sure lifting, a chest hinged to the roll-bar
for a quick access to the engine and to the air lter.
The set is completed by a frontal panel where the sockets, the protections and the measuring instruments
are mounted, all this protected by a same sized cover.
BASE
VIBRATION
DAMPER
ALTERNATOR
ROLL-BAR
FRONT
PANEL
CANOPY
ENGINE
FUEL TANK
ACCESS
DOOR
17/10/14 84831-EN