Service manual
Manuals
Brands
Mitsubishi Manuals
Domestic Appliances
Mr.Slim MSZ-A12NA
1
2
3
4
5
6
7
8
9
10
8
5
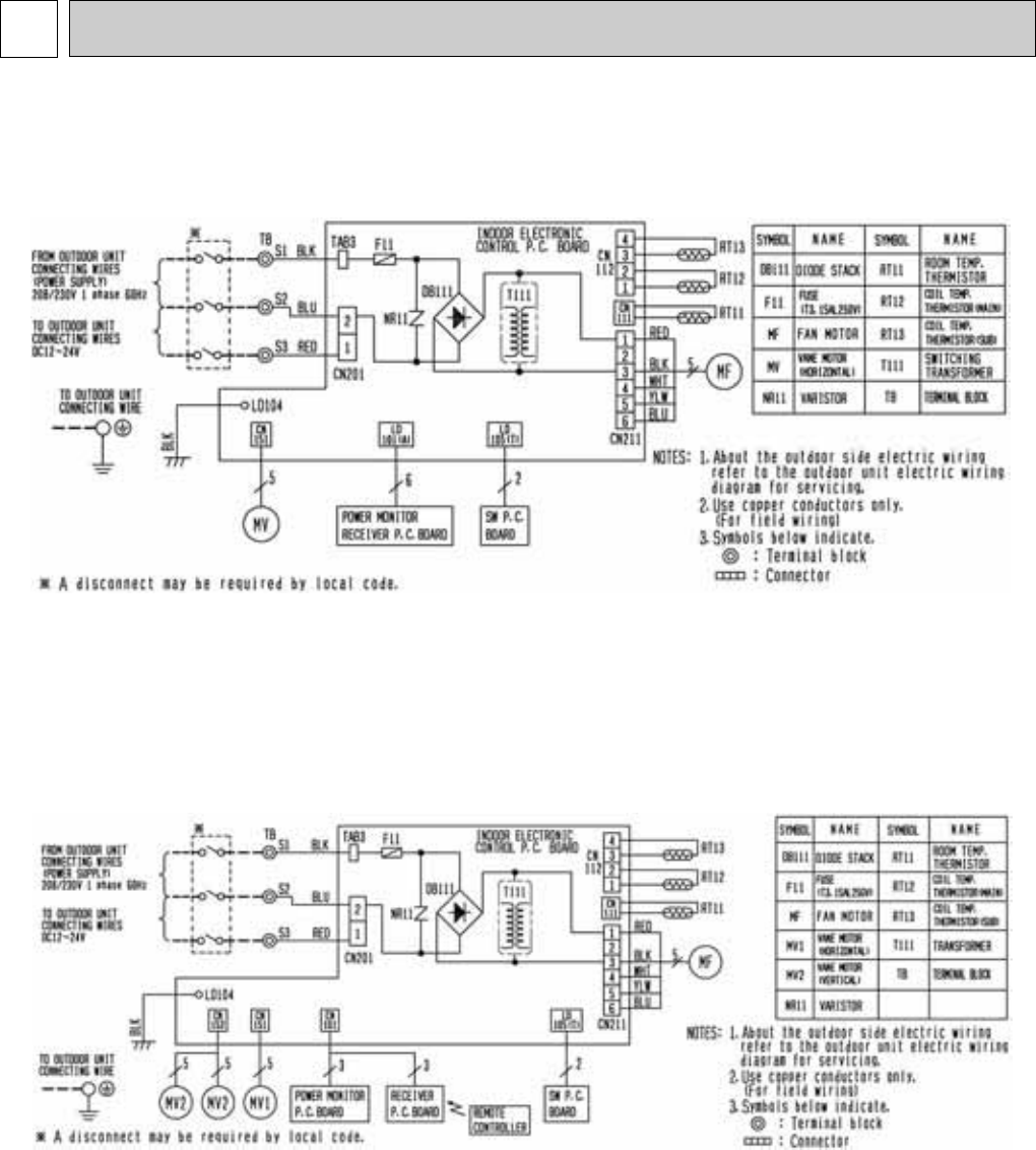
WIRING DIAGRAM
MSZ-A09NA
MSY
-A15NA
MSZ-A12NA
MSY
-A17NA
MSZ-A15NA
MSZ-A17NA
MSZ-A24NA
MSY
-A24NA
OB450-1.qxp 06.11.29 1:37 PM Page 8
1
...
...
6
7
8
9
10
...
...
48