User Guide

9
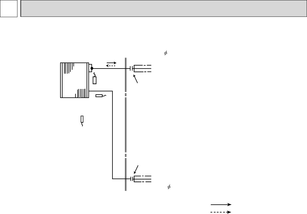
REFRIGERANT SYSTEM DIAGRAM
6
MSZ-FD09NA MSZ-FD12NA
Refrigerant flow in cooling
Refrigerant flow in heating
Unit:inch
Indoor
heat
exchanger
Flared connection
Room temperature
thermistor
RT11
Flared connection
Refrigerant pipe 3/8
(with heat insulator)
Refrigerant pipe 1/4
(with heat insulator)
Indoor coil
thermistor
RT12 (main)
Indoor coil
thermistor
RT13 (sub)










