Hardware Manual
Table Of Contents
- Front Cover
- Manual Number
- Guidelines for the safety
- Marine standard
- Note Concerning the CE Marking
- EMC
- LVD
- Associated Manuals
- Table of Contents
- 1. Introduction
- 2. Terminal layouts
- 3. Installation Notes
- 4. Power Supply
- 5. Inputs
- 6. Outputs
- 7. Diagnostics
- 8. Appendix
- Back Cover

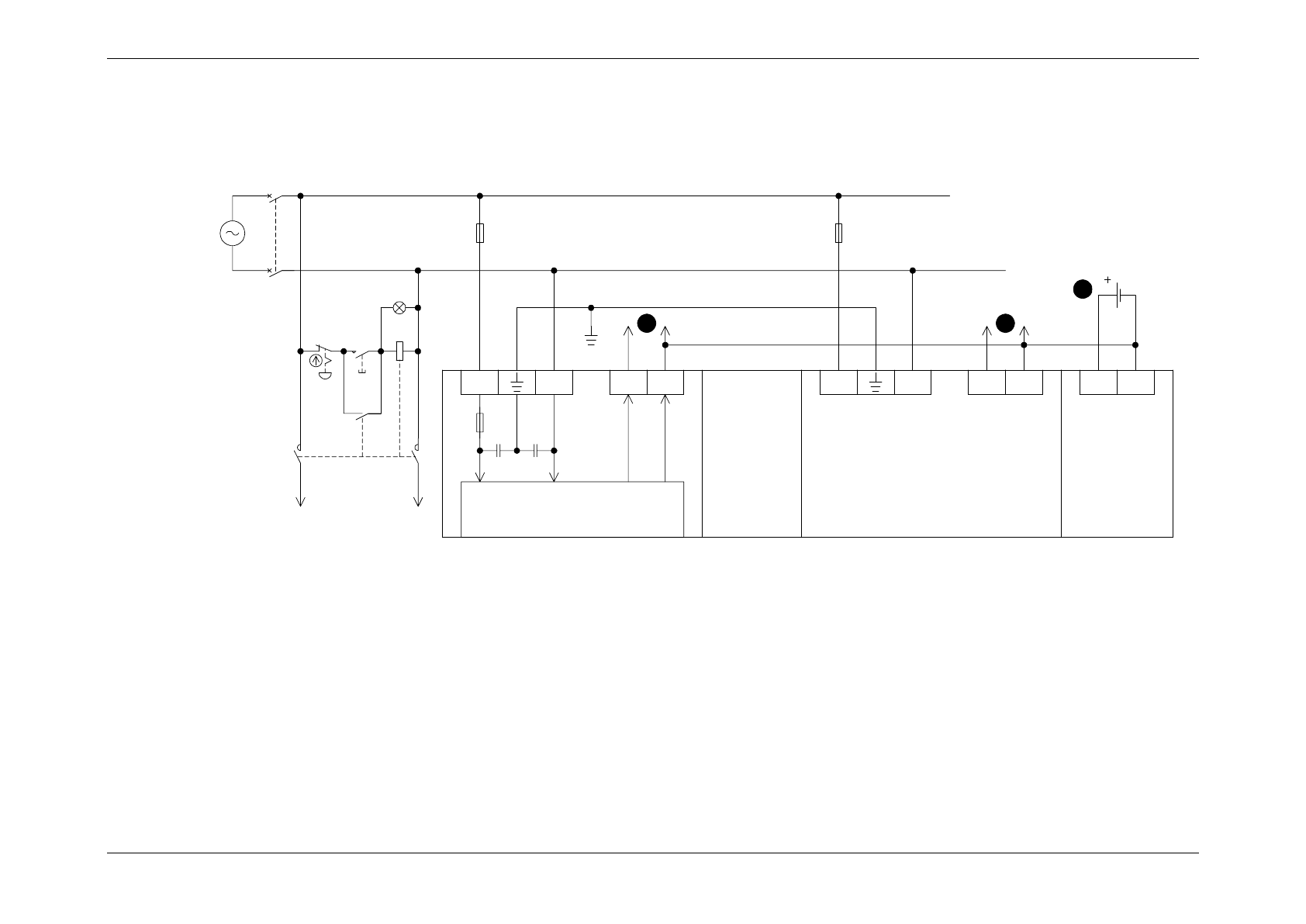
FX1N Series Programmable Controllers Power Supply 4.
4-4
4.5 Example Wiring
4.5.1 AC Power supply
*1 It is recommended to use the same power source to power the main unit, powered
extension units and special function blocks/units. If two sources are required, follow the
below guidelines:
- Supply power to the powered extension units and special function blocks/units before
or at the same time the main unit is powered.
- The power supplies may be cut the same time after ensuring system safety.
➊
➌➍
➎
➏
➐
➑
➒
➋
➓
MC
L 24VN 0V
AC/DC
Converter
24+ 24-
➏
100-240V
AC
50/60 Hz
Extension
Block
L 24VN 0V
➋
Powered extention
unit
24+ 24-
Special
Function
Block/Unit
12
11
12
24V DC
*1 *1










