Operation Manual
Table Of Contents
- Inhalt
- Sicherheitshinweise und Warnungen
- Ihr Beitrag zum Umweltschutz
- Übersicht
- Erste Inbetriebnahme
- Induktion
- Tipps zum Energiesparen
- Einstellbereiche
- Bedienung
- Timer
- Zusatzfunktionen
- Sicherheitseinrichtungen
- Reinigung und Pflege
- Was tun, wenn ...
- Nachkaufbares Zubehör
- Miele@home/Con@ctivity
- Sicherheitshinweise zum Einbau
- Sicherheitsabstände
- Rahmen-/Facettenkochfelder
- Flächenbündige Kochfelder
- Elektroanschluss
- Kundendienst
- Produktdatenblätter

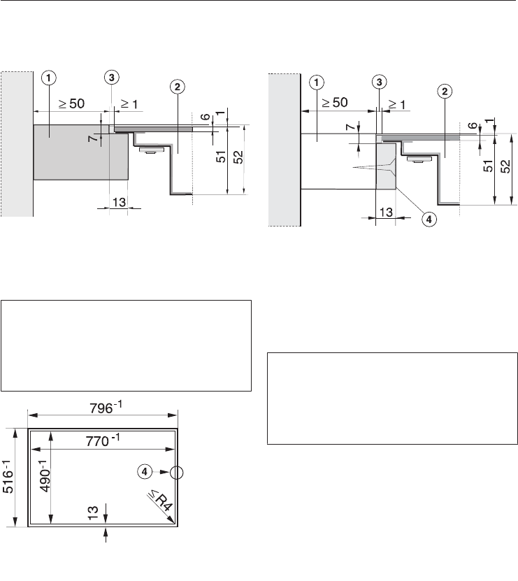
Flächenbündige Kochfelder
60
Einbau
Arbeitsplatte aus Naturstein
a
Arbeitsplatte
b
Kochfeld
c
Fuge
Da die Glaskeramikscheibe und der
Arbeitsplattenausschnitt einer gewis-
sen Maßtoleranz unterliegen, kann die
Breite der Fuge (min. 1 mm) variie-
ren.
d
Stufenfräsung
Arbeitsplatte aus Massivholz / ge-
flieste Arbeitsplatte / Glasarbeitsplat-
te
a
Arbeitsplatte
b
Kochfeld
c
Fuge
d
Holzleisten 13 mm (nicht im Liefer-
umfang enthalten)
Da die Glaskeramikscheibe und der
Arbeitsplattenausschnitt einer gewis-
sen Maßtoleranz unterliegen, kann die
Breite der Fuge (min. 1 mm) variie-
ren.










