Specifications

-
29
-
5.5 Test run
(1) Conduct trial run after confirming that there is no gas leaks.
(2) When conducting trial run set the remote control thermostat to continuous operation position. However when the power source is
cut off or when the unit’s operation switch is turned off or was turned to fan operation position, the unit will not go into operation
in order to protect the compressor.
(3) Explain to the customer on the correct usage of the air conditioner in simple layman’s terms.
(4) Make sure that drain flows properly.
(5) Standard operation data
Model
SRK50ZHX-S SRK60ZHX-S
Item
Cooling ––
Heating 2.3~2.4 2.5~2.6
Cooling 0.8~0.9 0.7~0.8
Heating ––
Cooling 13~14 14~15
Heating 18~19 21~22
Cooling 6.0/5.7/5.5 8.5/8.2/7.8
Running current (A)
Heating
6.2/5.9/5.7 7.7/7.3/7.0
Note (1) The data are measured at following conditions
Ambient air temperature
Indoor side: Cooling ... 27˚C DB, 19˚C WB, Heating ... 20˚C DB
Outdoor side: Cooling ... 35˚C DB, 24˚C WB, Heating ... 7˚C DB, 6˚C WB
Low pressure (MPa)
Temp. difference between
return air and supply air (°C)
High pressure (MPa)
(220/230/240V)
(b) When manipulating the remote control mounted on a
wall:
Make sure that it works normally (i.e., transmission/reception
signal is audible) before mounting.
Notes (1) The remote control is correctly facing the
sensing element of the air conditioner when being
manipulated.
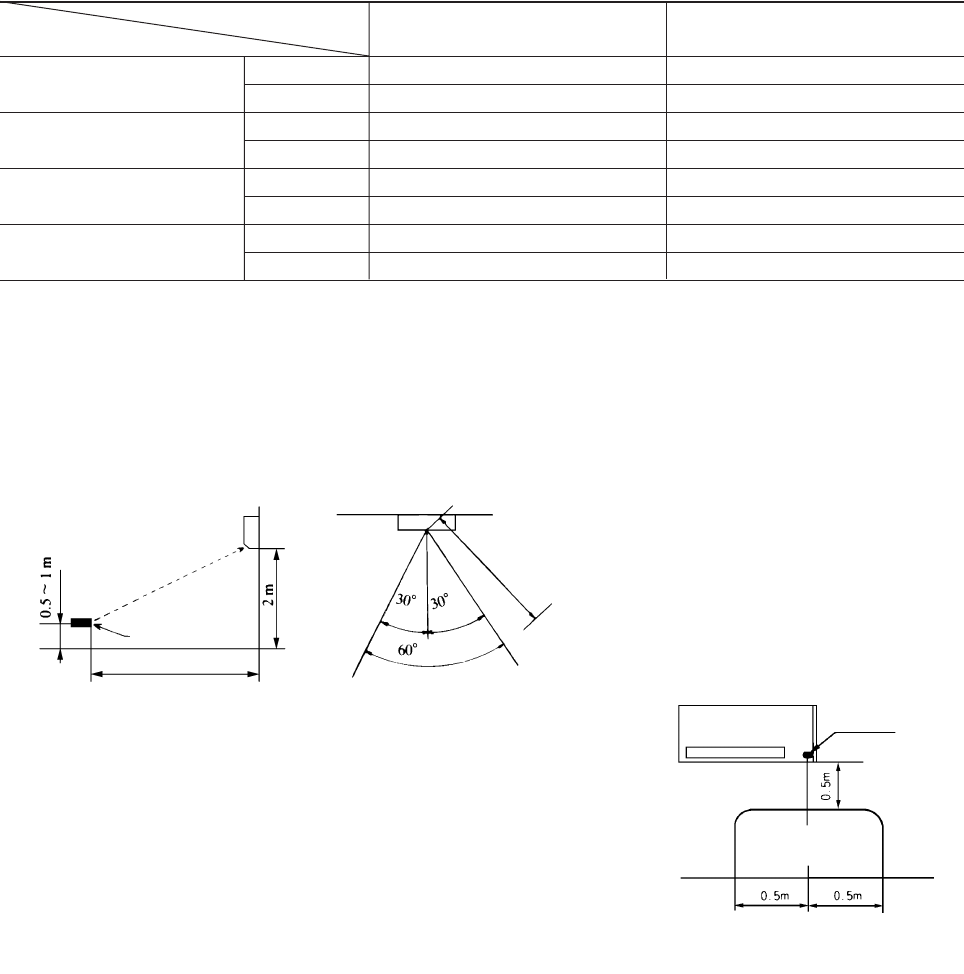
(2) The typical coverage is indicated (in the left
illustration). It may be more or less depending on
the installation.
(3) The coverage may be less or even nil. If the sensing
element is exposed to strong light, such as direct
sunlight, illumination, etc., or dust is deposited on
it or it is used behind a curtain, etc.
or less
7 m or less
Wireless remote
control
7 m or less
or less
5.6 Precautions for wireless remote control installation and operation
(1) Wireless remote control covers the following distances:
(a) When operating facing the air conditioner:
or less
If the distances exceed the area indicated above, be sure to check
the receiver status.
Remote control
available in this area.
Receiver