Datasheet
Table Of Contents
- Device Included In This Data Sheet:
- High-Performance RISC CPU:
- Special Microcontroller Features:
- Low-Power Features/CMOS Technology:
- Peripheral Features:
- 6-Lead SOT-23 Pin Diagram
- 8-Lead DIP Pin Diagram
- 8-Lead DFN Pin Diagram
- Table of Contents
- Most Current Data Sheet
- Errata
- Customer Notification System
- 1.0 General Description
- 2.0 Device Varieties
- 3.0 Architectural Overview
- 4.0 Memory Organization
- 5.0 I/O Port
- 5.1 GPIO
- 5.2 TRIS Registers
- 5.3 I/O Interfacing
- FIGURE 5-1: Equivalent Circuit for a Single I/O Pin
- TABLE 5-1: Order of Precedence for Pin Functions
- TABLE 5-2: Requirements to Make Pins Available in Digital Mode
- FIGURE 5-2: Block Diagram of GP0 and GP1
- FIGURE 5-3: Block Diagram of GP2
- FIGURE 5-4: Block Diagram of GP3
- TABLE 5-3: Summary of Port Registers
- 5.4 I/O Programming Considerations
- 6.0 TMR0 Module and TMR0 Register
- 7.0 Analog-to-Digital (A/D) converter
- 8.0 Special Features Of The CPU
- 8.1 Configuration Bits
- 8.2 Oscillator Configurations
- 8.3 Reset
- 8.4 Power-on Reset (POR)
- 8.5 Device Reset Timer (DRT)
- 8.6 Watchdog Timer (WDT)
- 8.7 Time-out Sequence, Power-down and Wake-up from Sleep Status Bits (TO/PD/GPWUF/CWUF)
- 8.8 Reset on Brown-out
- 8.9 Power-down Mode (Sleep)
- 8.10 Program Verification/Code Protection
- 8.11 ID Locations
- 8.12 In-Circuit Serial Programming™
- 9.0 Instruction Set Summary
- 10.0 Electrical Characteristics
- Absolute Maximum Ratings(†)
- 10.1 DC Characteristics: PIC10F220/222 (Industrial)
- 10.2 DC Characteristics: PIC10F220/222 (Extended)
- 10.3 DC Characteristics: PIC10F220/222 (Industrial, Extended)
- 10.4 Timing Parameter Symbology and Load Conditions
- FIGURE 10-2: Load Conditions
- TABLE 10-2: Calibrated Internal RC Frequencies – PIC10F220/222
- FIGURE 10-3: Reset, Watchdog Timer and Device Reset Timer Timing
- TABLE 10-3: Reset, Watchdog Timer and Device Reset Timer – PIC10F220/222
- FIGURE 10-4: Timer0 Clock Timings
- TABLE 10-4: Timer0 Clock Requirements
- TABLE 10-5: A/D Converter Characteristics
- TABLE 10-6: A/D Conversion Requirements
- 11.0 DC and AC Characteristics Graphs and Tables.
- FIGURE 11-1: Idd vs. Vdd Over Fosc (4 MHz)
- FIGURE 11-2: Idd vs. Vdd Over Fosc (8 MHz)
- FIGURE 11-3: Typical Ipd vs. Vdd (Sleep Mode, all Peripherals Disabled)
- FIGURE 11-4: Maximum Ipd vs. Vdd (Sleep Mode, all Peripherals Disabled)
- FIGURE 11-5: Typical WDT Ipd VS. Vdd
- FIGURE 11-6: Maximum WDT Ipd VS. Vdd Over Temperature
- FIGURE 11-7: WDT TIME-OUT VS. Vdd Over Temperature (No Prescaler)
- FIGURE 11-8: Vol VS. Iol Over Temperature (Vdd = 3.0V)
- FIGURE 11-9: Vol VS. Iol Over Temperature (Vdd = 5.0V)
- FIGURE 11-10: Voh VS. Ioh Over Temperature (Vdd = 3.0V)
- FIGURE 11-11: Voh VS. Ioh Over Temperature (Vdd = 5.0V)
- FIGURE 11-12: TTL Input Threshold Vin VS. Vdd
- FIGURE 11-13: Schmitt Trigger Input Threshold Vin VS. Vdd
- 12.0 Development Support
- 12.1 MPLAB Integrated Development Environment Software
- 12.2 MPASM Assembler
- 12.3 MPLAB C18 and MPLAB C30 C Compilers
- 12.4 MPLINK Object Linker/ MPLIB Object Librarian
- 12.5 MPLAB ASM30 Assembler, Linker and Librarian
- 12.6 MPLAB SIM Software Simulator
- 12.7 MPLAB ICE 2000 High-Performance In-Circuit Emulator
- 12.8 MPLAB REAL ICE In-Circuit Emulator System
- 12.9 MPLAB ICD 2 In-Circuit Debugger
- 12.10 MPLAB PM3 Device Programmer
- 12.11 PICSTART Plus Development Programmer
- 12.12 PICkit 2 Development Programmer
- 12.13 Demonstration, Development and Evaluation Boards
- 13.0 Packaging Information
- Appendix A: Revision History
- INDEX
- The Microchip Web Site
- Customer Change Notification Service
- Customer Support
- Reader Response
- Product Identification System

PIC10F220/222
DS41270E-page 28 © 2007 Microchip Technology Inc.
6.2.1 SWITCHING PRESCALER
ASSIGNMENT
The prescaler assignment is fully under software
control (i.e., it can be changed “on-the-fly” during pro-
gram execution). To avoid an unintended device Reset,
the following instruction sequence (Example 6-1) must
be executed when changing the prescaler assignment
from Timer0 to the WDT.
EXAMPLE 6-1: CHANGING PRESCALER
(TIMER0 → WDT)
To change prescaler from the WDT to the Timer0
module, use the sequence shown in Example 6-2. This
sequence must be used even if the WDT is disabled. A
CLRWDT instruction should be executed before
switching the prescaler.
EXAMPLE 6-2: CHANGING PRESCALER
(WDT→TIMER0)
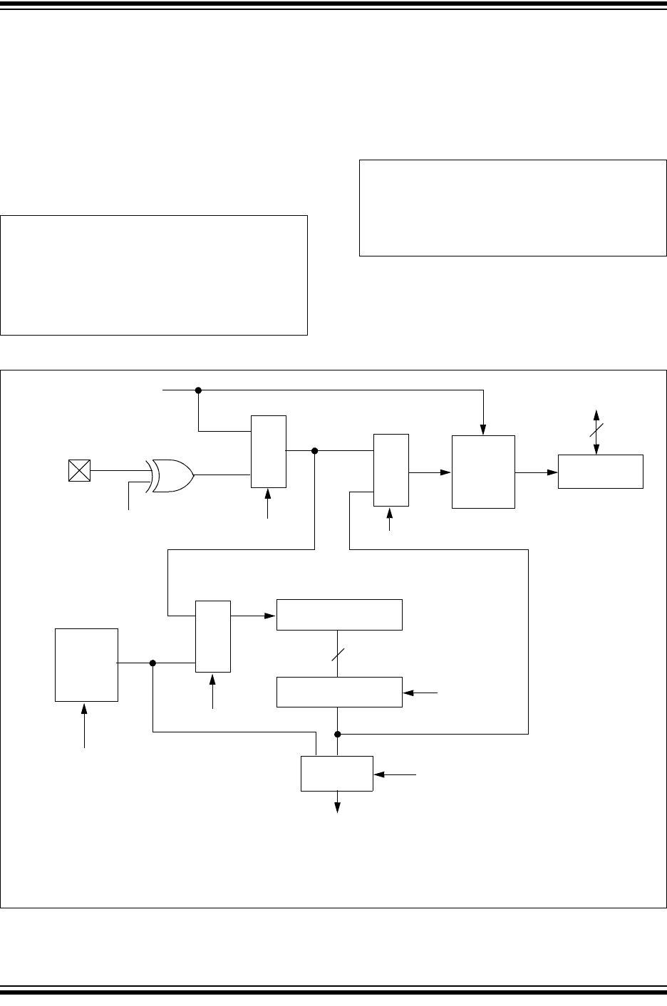
FIGURE 6-5: BLOCK DIAGRAM OF THE TIMER0/WDT PRESCALER
CLRWDT ;Clear WDT
CLRF TMR0 ;Clear TMR0 & Prescaler
MOVLW ‘00xx1111’b ;These 3 lines (5, 6, 7)
OPTION ;are required only if
;desired
CLRWDT ;PS<2:0> are 000 or 001
MOVLW ‘00xx1xxx’b ;Set Postscaler to
OPTION ;desired WDT rate
CLRWDT ;Clear WDT and
;prescaler
MOVLW ‘xxxx0xxx’ ;Select TMR0, new
;prescale value and
;clock source
OPTION
TCY (= FOSC/4)
Sync
2
Cycles
TMR0 Reg
8-bit Prescaler
8-to-1 MUX
M
MUX
Watchdog
Timer
PSA
(1)
0
1
0
1
WDT
Time-Out
PS<2:0>
(1)
8
PSA
(1)
WDT Enable bit
0
1
0
1
Data Bus
8
PSA
(1)
T0CS
(1)
M
U
X
M
U
X
U
X
T0SE
(1)
GP2/T0CKI
(2)
Pin
Note 1: T0CS, T0SE, PSA, PS<2:0> are bits in the OPTION register.
2: T0CKI is shared with pin GP2 on the PIC10F220/222.










