Datasheet
Table Of Contents
- Device Included In This Data Sheet:
- High-Performance RISC CPU:
- Special Microcontroller Features:
- Low-Power Features/CMOS Technology:
- Peripheral Features:
- 6-Lead SOT-23 Pin Diagram
- 8-Lead DIP Pin Diagram
- 8-Lead DFN Pin Diagram
- Table of Contents
- Most Current Data Sheet
- Errata
- Customer Notification System
- 1.0 General Description
- 2.0 Device Varieties
- 3.0 Architectural Overview
- 4.0 Memory Organization
- 5.0 I/O Port
- 5.1 GPIO
- 5.2 TRIS Registers
- 5.3 I/O Interfacing
- FIGURE 5-1: Equivalent Circuit for a Single I/O Pin
- TABLE 5-1: Order of Precedence for Pin Functions
- TABLE 5-2: Requirements to Make Pins Available in Digital Mode
- FIGURE 5-2: Block Diagram of GP0 and GP1
- FIGURE 5-3: Block Diagram of GP2
- FIGURE 5-4: Block Diagram of GP3
- TABLE 5-3: Summary of Port Registers
- 5.4 I/O Programming Considerations
- 6.0 TMR0 Module and TMR0 Register
- 7.0 Analog-to-Digital (A/D) converter
- 8.0 Special Features Of The CPU
- 8.1 Configuration Bits
- 8.2 Oscillator Configurations
- 8.3 Reset
- 8.4 Power-on Reset (POR)
- 8.5 Device Reset Timer (DRT)
- 8.6 Watchdog Timer (WDT)
- 8.7 Time-out Sequence, Power-down and Wake-up from Sleep Status Bits (TO/PD/GPWUF/CWUF)
- 8.8 Reset on Brown-out
- 8.9 Power-down Mode (Sleep)
- 8.10 Program Verification/Code Protection
- 8.11 ID Locations
- 8.12 In-Circuit Serial Programming™
- 9.0 Instruction Set Summary
- 10.0 Electrical Characteristics
- Absolute Maximum Ratings(†)
- 10.1 DC Characteristics: PIC10F220/222 (Industrial)
- 10.2 DC Characteristics: PIC10F220/222 (Extended)
- 10.3 DC Characteristics: PIC10F220/222 (Industrial, Extended)
- 10.4 Timing Parameter Symbology and Load Conditions
- FIGURE 10-2: Load Conditions
- TABLE 10-2: Calibrated Internal RC Frequencies – PIC10F220/222
- FIGURE 10-3: Reset, Watchdog Timer and Device Reset Timer Timing
- TABLE 10-3: Reset, Watchdog Timer and Device Reset Timer – PIC10F220/222
- FIGURE 10-4: Timer0 Clock Timings
- TABLE 10-4: Timer0 Clock Requirements
- TABLE 10-5: A/D Converter Characteristics
- TABLE 10-6: A/D Conversion Requirements
- 11.0 DC and AC Characteristics Graphs and Tables.
- FIGURE 11-1: Idd vs. Vdd Over Fosc (4 MHz)
- FIGURE 11-2: Idd vs. Vdd Over Fosc (8 MHz)
- FIGURE 11-3: Typical Ipd vs. Vdd (Sleep Mode, all Peripherals Disabled)
- FIGURE 11-4: Maximum Ipd vs. Vdd (Sleep Mode, all Peripherals Disabled)
- FIGURE 11-5: Typical WDT Ipd VS. Vdd
- FIGURE 11-6: Maximum WDT Ipd VS. Vdd Over Temperature
- FIGURE 11-7: WDT TIME-OUT VS. Vdd Over Temperature (No Prescaler)
- FIGURE 11-8: Vol VS. Iol Over Temperature (Vdd = 3.0V)
- FIGURE 11-9: Vol VS. Iol Over Temperature (Vdd = 5.0V)
- FIGURE 11-10: Voh VS. Ioh Over Temperature (Vdd = 3.0V)
- FIGURE 11-11: Voh VS. Ioh Over Temperature (Vdd = 5.0V)
- FIGURE 11-12: TTL Input Threshold Vin VS. Vdd
- FIGURE 11-13: Schmitt Trigger Input Threshold Vin VS. Vdd
- 12.0 Development Support
- 12.1 MPLAB Integrated Development Environment Software
- 12.2 MPASM Assembler
- 12.3 MPLAB C18 and MPLAB C30 C Compilers
- 12.4 MPLINK Object Linker/ MPLIB Object Librarian
- 12.5 MPLAB ASM30 Assembler, Linker and Librarian
- 12.6 MPLAB SIM Software Simulator
- 12.7 MPLAB ICE 2000 High-Performance In-Circuit Emulator
- 12.8 MPLAB REAL ICE In-Circuit Emulator System
- 12.9 MPLAB ICD 2 In-Circuit Debugger
- 12.10 MPLAB PM3 Device Programmer
- 12.11 PICSTART Plus Development Programmer
- 12.12 PICkit 2 Development Programmer
- 12.13 Demonstration, Development and Evaluation Boards
- 13.0 Packaging Information
- Appendix A: Revision History
- INDEX
- The Microchip Web Site
- Customer Change Notification Service
- Customer Support
- Reader Response
- Product Identification System

© 2007 Microchip Technology Inc. DS41270E-page 21
PIC10F220/222
5.0 I/O PORT
As with any other register, the I/O register(s) can be
written and read under program control. However, read
instructions (e.g., MOVF GPIO, W) always read the I/O
pins independent of the pin’s Input/Output modes. On
Reset, all I/O ports are defined as input (inputs are at
high-impedance) since the I/O control registers are all
set.
5.1 GPIO
GPIO is an 8-bit I/O register. Only the low-order 4 bits
are used (GP<3:0>). Bits 7 through 4 are unimple-
mented and read as ‘0’s. Please note that GP3 is an
input only pin. Pins GP0, GP1 and GP3 can be config-
ured with weak pull-ups and also for wake-up on
change. The wake-up on change and weak pull-up
functions are not individually pin selectable. If GP3/
MCLR
is configured as MCLR, a weak pull-up can be
enabled via the Configuration Word. Configuring GP3
as MCLR
disables the wake-up on change function for
this pin.
5.2 TRIS Registers
The Output Driver Control register is loaded with the
contents of the W register by executing the TRIS f
instruction. A ‘1’ from a TRIS register bit puts the corre-
sponding output driver in a High-Impedance mode. A
‘0’ puts the contents of the output data latch on the
selected pins, enabling the output buffer. The excep-
tions are GP3, which is input only, and the GP2/T0CKI/
FOSC4 pin, which may be controlled by various
registers. See Table 5-1.
The TRIS registers are “write-only” and are set (output
drivers disabled) upon Reset.
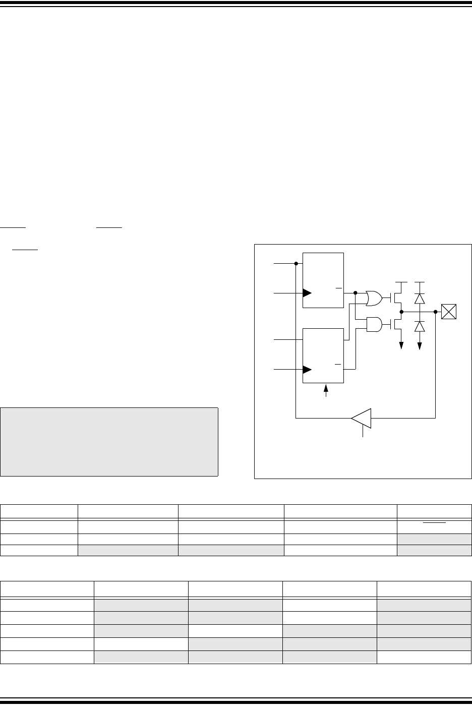
5.3 I/O Interfacing
The equivalent circuit for an I/O port pin is shown in
Figure 5-1. All port pins, except GP3, which is input
only, may be used for both input and output operations.
For input operations, these ports are non-latching. Any
input must be present until read by an input instruction
(e.g., MOVF GPIO, W). The outputs are latched and
remain unchanged until the output latch is rewritten. To
use a port pin as output, the corresponding direction
control bit in TRIS must be cleared (= 0). For use as an
input, the corresponding TRIS bit must be set. Any I/O
pin (except GP3) can be programmed individually as
input or output.
FIGURE 5-1: EQUIVALENT CIRCUIT
FOR A SINGLE I/O PIN
TABLE 5-1: ORDER OF PRECEDENCE FOR PIN FUNCTIONS
TABLE 5-2: REQUIREMENTS TO MAKE PINS AVAILABLE IN DIGITAL MODE
Note: A read of the ports reads the pins, not the
output data latches. That is, if an output
driver on a pin is enabled and driven high,
but the external system is holding it low, a
read of the port will indicate that the pin is
low.
Data
Bus
Q
D
Q
CK
Q
D
Q
CK
P
N
WR
Port
TRIS ‘f’
Data
TRIS
RD Port
V
SS
VDD
I/O
pin
W
Reg
Latch
Latch
Reset
Note 1: I/O pins have protection diodes to V
DD and
V
SS.
2: See Table 3-1 for buffer type.
VSS
VDD
(2)
(1)
Priority GP0 GP1 GP2 GP3
1 AN0 AN1 FOSC4 M
CLR
2 TRIS GPIO TRIS GPIO T0CKI —
3
— — TRIS GPIO —
Bit GP0 GP1 GP2 GP3
FOSC4
— — 0 —
T0CS
— — 0 —
ANS1
— 0 — —
ANS0 0
— — —
MCLRE
— — — 0
Legend: — = Condition of bit will have no effect on the setting of the pin to Digital mode.










