Datasheet

Table Of Contents
418
7682C–AUTO–04/08
AT90CAN32/64/128
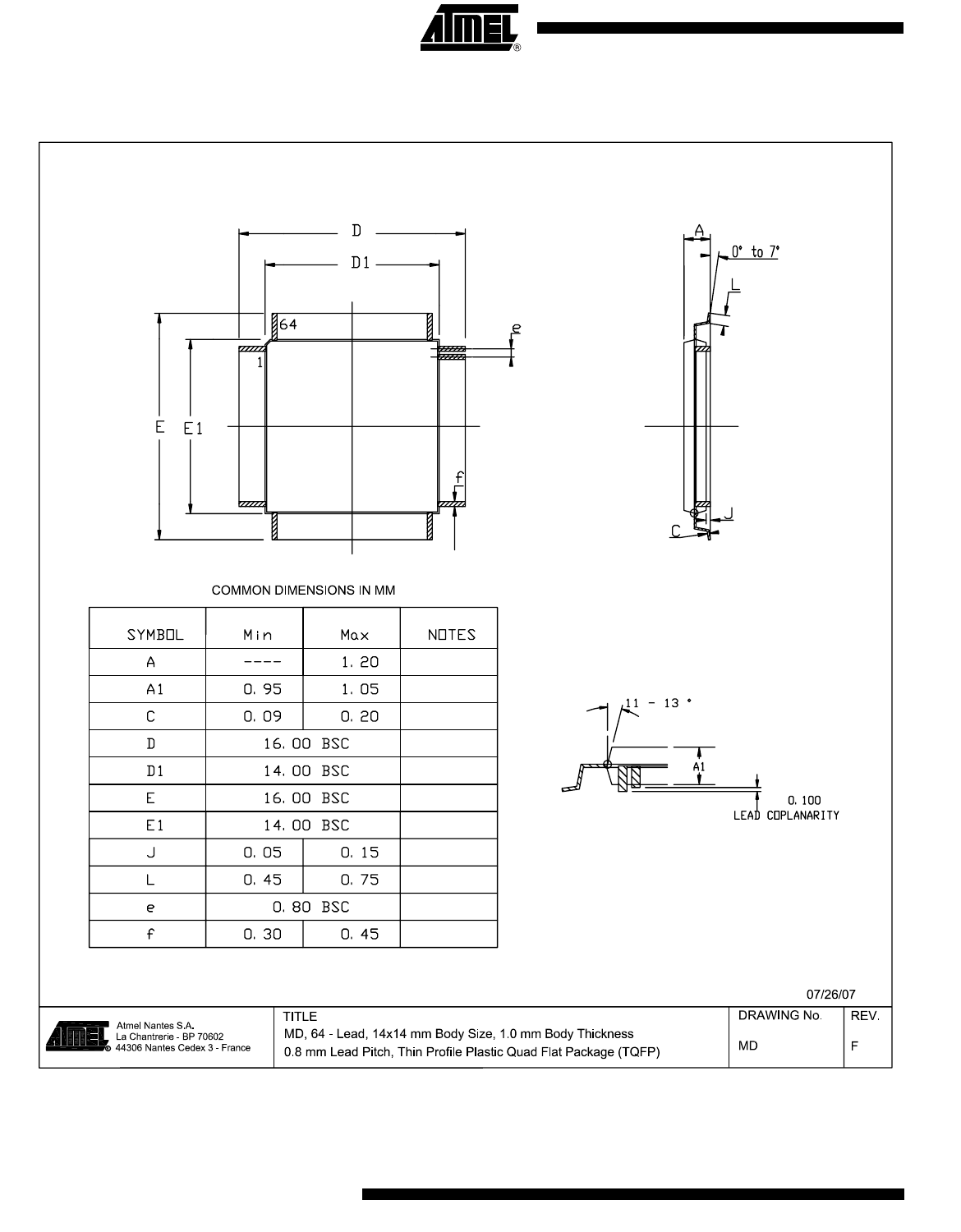
32.1 TQFP64