Datasheet

Table Of Contents
309
7682C–AUTO–04/08
AT90CAN32/64/128
23.6.6 Scanning the ADC
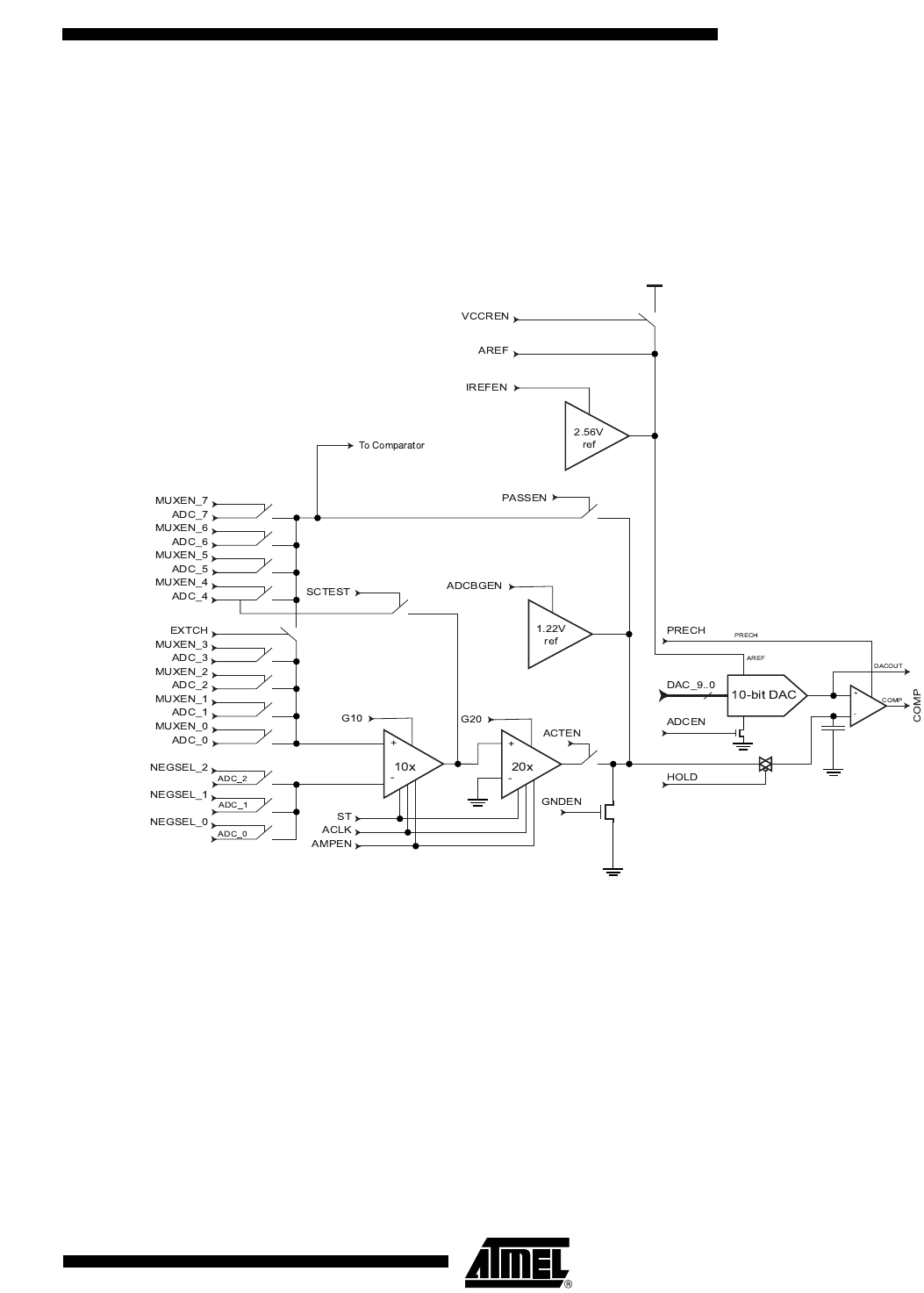
Figure 23-10 shows a block diagram of the ADC with all relevant control and observe signals.
The Boundary-scan cell from Figure 23-9 is attached to each of these signals. The ADC need
not be used for pure connectivity testing, since all analog inputs are shared with a digital port pin
as well.
Figure 23-10. Analog to Digital Converter
The signals are described briefly in
Table 23-7.