Datasheet
Table Of Contents
- Features
- 1. Description
- 2. About Code Examples
- 3. AVR CPU Core
- 4. Memories
- 4.1 In-System Reprogrammable Flash Program Memory
- 4.2 SRAM Data Memory
- 4.3 EEPROM Data Memory
- 4.4 I/O Memory
- 4.5 External Memory Interface
- 4.5.1 Overview
- 4.5.2 Using the External Memory Interface
- 4.5.3 Address Latch Requirements
- 4.5.4 Pull-up and Bus-keeper
- 4.5.5 Timing
- 4.5.6 External Memory Control Register A - XMCRA
- 4.5.7 External Memory Control Register B - XMCRB
- 4.5.8 Using all Locations of External Memory Smaller than 64 KB
- 4.5.9 Using all 64KB Locations of External Memory
- 4.6 General Purpose I/O Registers
- 5. System Clock
- 6. Power Management and Sleep Modes
- 7. System Control and Reset
- 8. Interrupts
- 9. I/O-Ports
- 9.1 Introduction
- 9.2 Ports as General Digital I/O
- 9.3 Alternate Port Functions
- 9.4 Register Description for I/O-Ports
- 9.4.1 Port A Data Register - PORTA
- 9.4.2 Port A Data Direction Register - DDRA
- 9.4.3 Port A Input Pins Address - PINA
- 9.4.4 Port B Data Register - PORTB
- 9.4.5 Port B Data Direction Register - DDRB
- 9.4.6 Port B Input Pins Address - PINB
- 9.4.7 Port C Data Register - PORTC
- 9.4.8 Port C Data Direction Register - DDRC
- 9.4.9 Port C Input Pins Address - PINC
- 9.4.10 Port D Data Register - PORTD
- 9.4.11 Port D Data Direction Register - DDRD
- 9.4.12 Port D Input Pins Address - PIND
- 9.4.13 Port E Data Register - PORTE
- 9.4.14 Port E Data Direction Register - DDRE
- 9.4.15 Port E Input Pins Address - PINE
- 9.4.16 Port F Data Register - PORTF
- 9.4.17 Port F Data Direction Register - DDRF
- 9.4.18 Port F Input Pins Address - PINF
- 9.4.19 Port G Data Register - PORTG
- 9.4.20 Port G Data Direction Register - DDRG
- 9.4.21 Port G Input Pins Address - PING
- 10. External Interrupts
- 11. Timer/Counter3/1/0 Prescalers
- 12. 8-bit Timer/Counter0 with PWM
- 13. 16-bit Timer/Counter (Timer/Counter1 and Timer/Counter3)
- 13.1 Features
- 13.2 Overview
- 13.3 Accessing 16-bit Registers
- 13.4 Timer/Counter Clock Sources
- 13.5 Counter Unit
- 13.6 Input Capture Unit
- 13.7 Output Compare Units
- 13.8 Compare Match Output Unit
- 13.9 Modes of Operation
- 13.10 Timer/Counter Timing Diagrams
- 13.11 16-bit Timer/Counter Register Description
- 13.11.1 Timer/Counter1 Control Register A - TCCR1A
- 13.11.2 Timer/Counter3 Control Register A - TCCR3A
- 13.11.3 Timer/Counter1 Control Register B - TCCR1B
- 13.11.4 Timer/Counter3 Control Register B - TCCR3B
- 13.11.5 Timer/Counter1 Control Register C - TCCR1C
- 13.11.6 Timer/Counter3 Control Register C - TCCR3C
- 13.11.7 Timer/Counter1 - TCNT1H and TCNT1L
- 13.11.8 Timer/Counter3 - TCNT3H and TCNT3L
- 13.11.9 Output Compare Register A - OCR1AH and OCR1AL
- 13.11.10 Output Compare Register B - OCR1BH and OCR1BL
- 13.11.11 Output Compare Register C - OCR1CH and OCR1CL
- 13.11.12 Output Compare Register A - OCR3AH and OCR3AL
- 13.11.13 Output Compare Register B - OCR3BH and OCR3BL
- 13.11.14 Output Compare Register C - OCR3CH and OCR3CL
- 13.11.15 Input Capture Register - ICR1H and ICR1L
- 13.11.16 Input Capture Register - ICR3H and ICR3L
- 13.11.17 Timer/Counter1 Interrupt Mask Register - TIMSK1
- 13.11.18 Timer/Counter3 Interrupt Mask Register - TIMSK3
- 13.11.19 Timer/Counter1 Interrupt Flag Register - TIFR1
- 13.11.20 Timer/Counter3 Interrupt Flag Register - TIFR3
- 14. 8-bit Timer/Counter2 with PWM and Asynchronous Operation
- 14.1 Features
- 14.2 Overview
- 14.3 Timer/Counter Clock Sources
- 14.4 Counter Unit
- 14.5 Output Compare Unit
- 14.6 Compare Match Output Unit
- 14.7 Modes of Operation
- 14.8 Timer/Counter Timing Diagrams
- 14.9 8-bit Timer/Counter Register Description
- 14.10 Asynchronous operation of the Timer/Counter2
- 14.11 Timer/Counter2 Prescaler
- 15. Output Compare Modulator - OCM
- 16. Serial Peripheral Interface - SPI
- 17. USART (USART0 and USART1)
- 17.1 Features
- 17.2 Overview
- 17.3 Dual USART
- 17.4 Clock Generation
- 17.5 Serial Frame
- 17.6 USART Initialization
- 17.7 Data Transmission - USART Transmitter
- 17.8 Data Reception - USART Receiver
- 17.9 Asynchronous Data Reception
- 17.10 Multi-processor Communication Mode
- 17.11 USART Register Description
- 17.11.1 USART0 I/O Data Register - UDR0
- 17.11.2 USART1 I/O Data Register - UDR1
- 17.11.3 USART0 Control and Status Register A - UCSR0A
- 17.11.4 USART1 Control and Status Register A - UCSR1A
- 17.11.5 USART0 Control and Status Register B - UCSR0B
- 17.11.6 USART1 Control and Status Register B - UCSR1B
- 17.11.7 USART0 Control and Status Register C - UCSR0C
- 17.11.8 USART1 Control and Status Register C - UCSR1C
- 17.11.9 USART0 Baud Rate Registers - UBRR0L and UBRR0H
- 17.11.10 USART1 Baud Rate Registers - UBRR1L and UBRR1H
- 17.12 Examples of Baud Rate Setting
- 18. Two-wire Serial Interface
- 19. Controller Area Network - CAN
- 19.1 Features
- 19.2 CAN Protocol
- 19.2.1 Principles
- 19.2.2 Message Formats
- 19.2.3 CAN Bit Timing
- 19.2.3.1 Bit Construction
- 19.2.3.2 Synchronization Segment
- 19.2.3.3 Propagation Time Segment
- 19.2.3.4 Phase Segment 1
- 19.2.3.5 Sample Point
- 19.2.3.6 Phase Segment 2
- 19.2.3.7 Information Processing Time
- 19.2.3.8 Bit Lengthening
- 19.2.3.9 Bit Shortening
- 19.2.3.10 Synchronization Jump Width
- 19.2.3.11 Programming the Sample Point
- 19.2.3.12 Synchronization
- 19.2.4 Arbitration
- 19.2.5 Errors
- 19.3 CAN Controller
- 19.4 CAN Channel
- 19.5 Message Objects
- 19.6 CAN Timer
- 19.7 Error Management
- 19.8 Interrupts
- 19.9 CAN Register Description
- 19.10 General CAN Registers
- 19.10.1 CAN General Control Register - CANGCON
- 19.10.2 CAN General Status Register - CANGSTA
- 19.10.3 CAN General Interrupt Register - CANGIT
- 19.10.4 CAN General Interrupt Enable Register - CANGIE
- 19.10.5 CAN Enable MOb Registers - CANEN2 and CANEN1
- 19.10.6 CAN Enable Interrupt MOb Registers - CANIE2 and CANIE1
- 19.10.7 CAN Status Interrupt MOb Registers - CANSIT2 and CANSIT1
- 19.10.8 CAN Bit Timing Register 1 - CANBT1
- 19.10.9 CAN Bit Timing Register 2 - CANBT2
- 19.10.10 CAN Bit Timing Register 3 - CANBT3
- 19.10.11 CAN Timer Control Register - CANTCON
- 19.10.12 CAN Timer Registers - CANTIML and CANTIMH
- 19.10.13 CAN TTC Timer Registers - CANTTCL and CANTTCH
- 19.10.14 CAN Transmit Error Counter Register - CANTEC
- 19.10.15 CAN Receive Error Counter Register - CANREC
- 19.10.16 CAN Highest Priority MOb Register - CANHPMOB
- 19.10.17 CAN Page MOb Register - CANPAGE
- 19.11 MOb Registers
- 19.11.1 CAN MOb Status Register - CANSTMOB
- 19.11.2 CAN MOb Control and DLC Register - CANCDMOB
- 19.11.3 CAN Identifier Tag Registers - CANIDT1, CANIDT2, CANIDT3, and CANIDT4
- 19.11.4 CAN Identifier Mask Registers - CANIDM1, CANIDM2, CANIDM3, and CANIDM4
- 19.11.5 CAN Time Stamp Registers - CANSTML and CANSTMH
- 19.11.6 CAN Data Message Register - CANMSG
- 19.12 Examples of CAN Baud Rate Setting
- 20. Analog Comparator
- 21. Analog to Digital Converter - ADC
- 22. JTAG Interface and On-chip Debug System
- 23. Boundary-scan IEEE 1149.1 (JTAG)
- 24. Boot Loader Support - Read-While-Write Self-Programming
- 24.1 Features
- 24.2 Application and Boot Loader Flash Sections
- 24.3 Read-While-Write and No Read-While-Write Flash Sections
- 24.4 Boot Loader Lock Bits
- 24.5 Entering the Boot Loader Program
- 24.6 Addressing the Flash During Self-Programming
- 24.7 Self-Programming the Flash
- 24.7.1 Performing Page Erase by SPM
- 24.7.2 Filling the Temporary Buffer (Page Loading)
- 24.7.3 Performing a Page Write
- 24.7.4 Using the SPM Interrupt
- 24.7.5 Consideration While Updating BLS
- 24.7.6 Prevent Reading the RWW Section During Self-Programming
- 24.7.7 Setting the Boot Loader Lock Bits by SPM
- 24.7.8 EEPROM Write Prevents Writing to SPMCSR
- 24.7.9 Reading the Fuse and Lock Bits from Software
- 24.7.10 Preventing Flash Corruption
- 24.7.11 Programming Time for Flash when Using SPM
- 24.7.12 Simple Assembly Code Example for a Boot Loader
- 24.7.13 Boot Loader Parameters
- 25. Memory Programming
- 25.1 Program and Data Memory Lock Bits
- 25.2 Fuse Bits
- 25.3 Signature Bytes
- 25.4 Calibration Byte
- 25.5 Parallel Programming Overview
- 25.6 Parallel Programming
- 25.6.1 Enter Programming Mode
- 25.6.2 Considerations for Efficient Programming
- 25.6.3 Chip Erase
- 25.6.4 Programming the Flash
- 25.6.5 Programming the EEPROM
- 25.6.6 Reading the Flash
- 25.6.7 Reading the EEPROM
- 25.6.8 Programming the Fuse Low Bits
- 25.6.9 Programming the Fuse High Bits
- 25.6.10 Programming the Extended Fuse Bits
- 25.6.11 Programming the Lock Bits
- 25.6.12 Reading the Fuse and Lock Bits
- 25.6.13 Reading the Signature Bytes
- 25.6.14 Reading the Calibration Byte
- 25.7 SPI Serial Programming Overview
- 25.8 SPI Serial Programming
- 25.9 JTAG Programming Overview
- 25.9.1 Programming Specific JTAG Instructions
- 25.9.2 Data Registers
- 25.9.3 Programming Algorithm
- 25.9.3.1 Entering Programming Mode
- 25.9.3.2 Leaving Programming Mode
- 25.9.3.3 Performing Chip Erase
- 25.9.3.4 Programming the Flash
- 25.9.3.5 Reading the Flash
- 25.9.3.6 Programming the EEPROM
- 25.9.3.7 Reading the EEPROM
- 25.9.3.8 Programming the Fuses
- 25.9.3.9 Programming the Lock Bits
- 25.9.3.10 Reading the Fuses and Lock Bits
- 25.9.3.11 Reading the Signature Bytes
- 25.9.3.12 Reading the Calibration Byte
- 26. Decoupling Capacitors
- 27. Electrical Characteristics (1)
- 27.1 Absolute Maximum Ratings*
- 27.2 DC Characteristics(1)
- 27.3 External Clock Drive Characteristics
- 27.4 Maximum Speed vs. VCC
- 27.5 Two-wire Serial Interface Characteristics
- 27.6 SPI Timing Characteristics
- 27.7 CAN Physical Layer Characteristics
- 27.8 ADC Characteristics((1)
- 27.9 External Data Memory Characteristics(1)
- 27.10 Parallel Programming Characteristics
- 28. Register Summary
- 29. AT90CAN32/64/128 Typical Characteristics
- 29.1 Active Supply Current
- 29.2 Idle Supply Current
- 29.3 Power-down Supply Current
- 29.4 Power-save Supply Current
- 29.5 Pin Pull-up
- 29.6 Pin Driver Strength
- 29.7 Pin Thresholds and Hysteresis
- 29.8 BOD Thresholds and Analog Comparator Offset
- 29.9 Internal Oscillator Speed
- 29.10 Current Consumption of Peripheral Units
- 29.11 Current Consumption in Reset and Reset Pulse Width
- 29.12 Analog To Digital Converter
- 30. Instruction Set Summary
- 31. Ordering Information
- 32. Packaging Information
- 33. Errata
- 34. Datasheet Revision History for AT90CAN32/64/128

294
7682C–AUTO–04/08
AT90CAN32/64/128
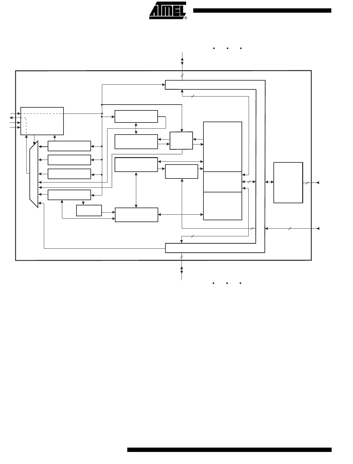
Figure 22-1. Block Diagram
TAP
CONTROLLER
TDI
TDO
TCK
TMS
FLASH
MEMORY
AVR CPU
DIGITAL
PERIPHERAL
UNITS
JTAG / AVR CORE
COMMUNICATION
INTERFACE
BREAKPOINT
UNIT
FLOW CONTROL
UNIT
OCD STATUS
AND CONTROL
INTERNAL
SCAN
CHAIN
M
U
X
INSTRUCTION
REGISTER
ID
REGISTER
BYPASS
REGISTER
JTAG PROGRAMMING
INTERFACE
PC
Instruction
Address
Data
BREAKPOINT
SCAN CHAIN
ADDRESS
DECODER
ANALOG
PERIPHERIAL
UNITS
I/O PORT 0
I/O PORT n
BOUNDARY SCAN CHAIN
Analog inputs
Control & Clock lines
DEVICE BOUNDARY










