Datasheet

Table Of Contents
4
7682C–AUTO–04/08
AT90CAN32/64/128
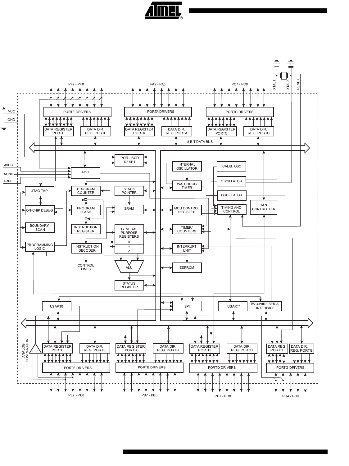
1.5 Block Diagram
Figure 1-1. Block Diagram