Datasheet

Table Of Contents
273
7682C–AUTO–04/08
AT90CAN32/64/128
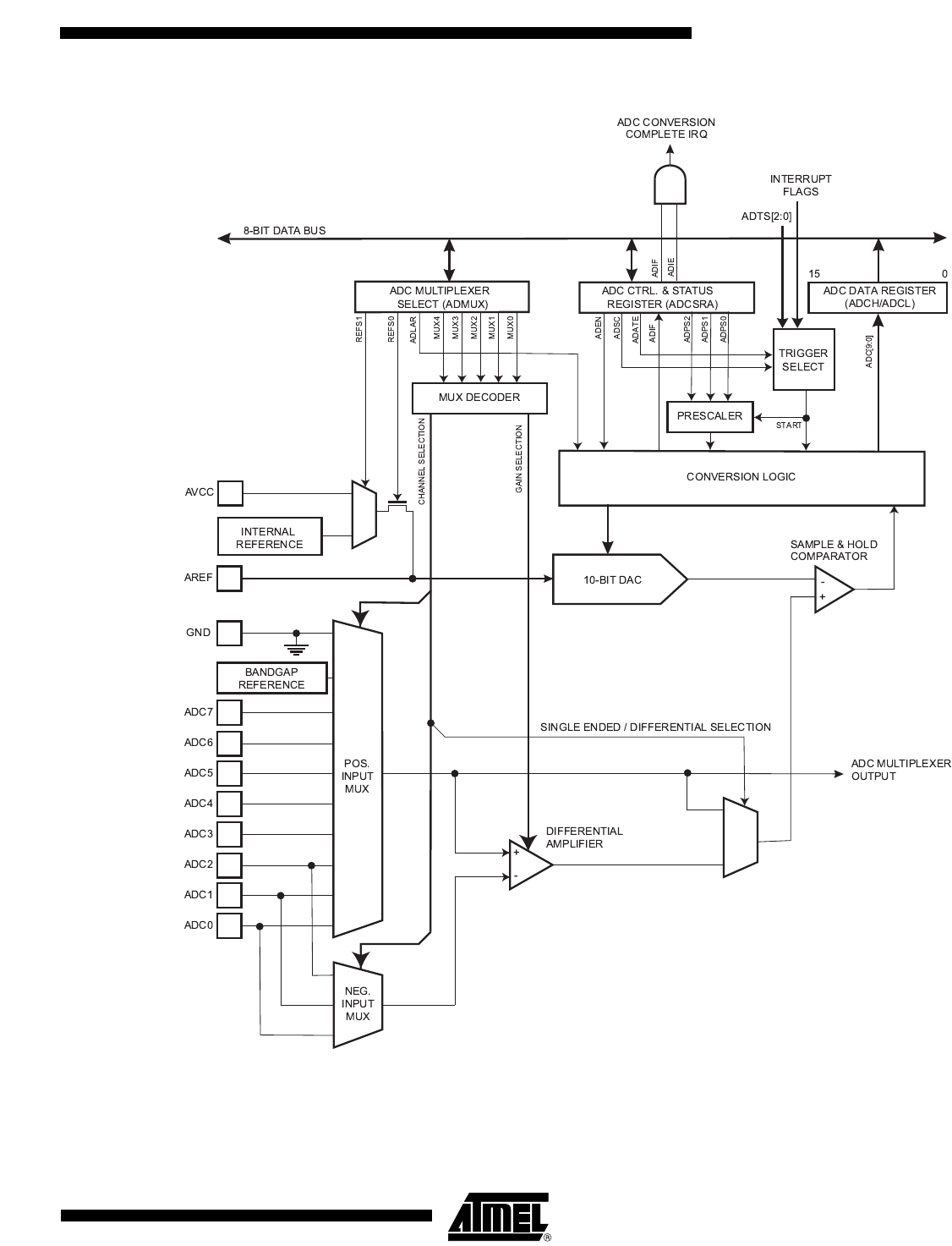
Figure 21-1. Analog to Digital Converter Block Schematic
21.2 Operation
The ADC converts an analog input voltage to a 10-bit digital value through successive approxi-
mation. The minimum value represents GND and the maximum value represents the voltage on